Category: SETI
The Art of Electronics #7 — Paul Horowitz on Ham Radio, and on SETI (audio)
Above is a seven minute audio podcast in which Paul Horowitz talks about ham radio and SETI.
The Art of Electronics #5 Paul Horowitz on SETI (and lots of other radio stuff)
SETI, Proxima Centauri, The Parkes Dish, and Intermodulation Distortion?
A cosmically interesting troubleshoot. But I’m not sure about their explanation. Why would the intermod disappear when they moved the Parkes Radio Telescope off of Proxima Centauri?
The Parkes Radio Telescope Picks Up a Possible “Wow” Signal from Proxima Centauri (maybe)
An article about SETI and our favorite dish. From Scientific American:
6EQUJ5 — SNR, the Big Ear Radio Telescope, and the “Wow” Signal
This Hack-A-Day article explains the significance of 6EQUJ5 on the paper readout of the Big Ear radio telescope. It is a signal-to-noise readout.
The article also has interesting information about the radio telescope that was used.
I have on my shelf John Kraus W8JK’s wonderful book “Big Ear Two — Listening for Other Worlds.” John Kraus is the guy who built the Big Ear. In a reminder of how new radio technology really is, Kraus got his start in radio as a ten year-old boy in 1920. He ripped the wire out of the ignition coil of a Model T Ford to make a tuning coil for a crystal radio. He took the earpiece out of the family telephone. His father gave him a chunk of Galena. He used the crystal radio to listen to the early broadcasts of WWJ in Detroit.
China and SETI: What Happens if China Makes First Contact?
Here is a really amazing article from The Atlantic. It is very thought provoking. Mind blowing. Strongly recommended.
You can read it here:
https://www.theatlantic.com/magazine/archive/2017/12/what-happens-if-china-makes-first-contact/544131/
Or you can listen to a reading of it (like a podcast) here:
https://soundcloud.com/user-154380542/what-happens-if-china-makes-first-contact-the-atlantic-ross-andersen
Thanks to Mike Rainey AA1TJ for alerting us to this.
A Signal for SETI? HD 164595
Listening UP for KIC 846

Real DX: The Mysterious Flicker of KIC 846
Interview with Paul Horowitz (W1HFA) — A Giant In Radio Electronics (Video)
I’ve been hearing about this book for years, but until I watched this interview, I knew nothing about the author. Thanks Lady Ada. (And thanks to Farhan for the alert.)
As a native New Yorker, I’m pleased to include in the blog yet another reminder that the Big Apple is not all fashion and finance — a lot of solder has been melted in my home town.
Paul Horowitz has a truly awesome bio. He got his ham license at age eight. QST tells us that lots of little kids do this, but unlike some of the youngsters we see in the magazine I suspect young Paul really mastered the theory. Paul Horowitz has “The Knack.” Big time.
PhD from Harvard. Author of “The Art of Electronics.” Pioneer in the Search for Extraterrestrial Intelligence. Carl Sagan is believed to have modeled the main character in “Contact” partly on Paul. Check out the wiki page:
https://en.wikipedia.org/wiki/Paul_Horowitz
Our book: “SolderSmoke — Global Adventures in Wireless Electronics” http://soldersmoke.com/book.htm Our coffee mugs, T-Shirts, bumper stickers: http://www.cafepress.com/SolderSmoke Our Book Store: http://astore.amazon.com/contracross-20
Amateurs and the Search for Extra-Terrestrial Intelligence

Arecibo Birthday
Thanks to Bob Crane for this birthday alert:
Our book: “SolderSmoke — Global Adventures in Wireless Electronics” http://soldersmoke.com/book.htm Our coffee mugs, T-Shirts, bumper stickers: http://www.cafepress.com/SolderSmoke Our Book Store: http://astore.amazon.com/contracross-20
LONE SIGNAL: SETI gets cool. Perhaps TOO cool! (VIDEO)
Slashdot alerted me to this new SETI-like effort to communicate with extraterrestrial civilizations. It is called LONE SIGNAL. Check out their video (above and here:
http://youtu.be/M-XcrnSKUog )
http://news.discovery.com/space/alien-life-exoplanets/crowd-funded-radio-beacon-will-message-aliens-130612.htm
The project has many features that put it in the traditional SolderSmoke area of interest, especially “the use of a re-furbished radio telescope.” But one look at their video (click above) made me think that perhaps these folks are just too cool for a project like this. I somehow can’t see ANY of these people using a soldering iron. On the other hand, if WE had videos like this, maybe we’d be able to bring more young people into ham radio! Yea! Why can’t we be cool too? How about it, ARRL?
Our book: “SolderSmoke — Global Adventures in Wireless Electronics” http://soldersmoke.com/book.htm Our coffee mugs, T-Shirts, bumper stickers: http://www.cafepress.com/SolderSmoke Our Book Store: http://astore.amazon.com/contracross-20
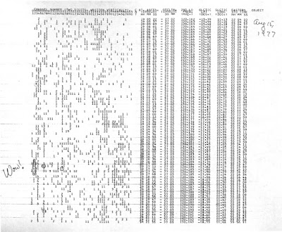
Wow! Great Article on the Wow SETI Signal
Thanks to David Umbaugh (and his son!) for alerting me to this really great article in The Atlantic on one intrepid amateur who has chosen to follow-up on the famous (and possibly extraterrestrial) “Wow” signal. You will like this article.
http://m.theatlantic.com/technology/archive/2012/02/the-wow-signal-one-mans-search-for-setis-most-tantalizing-trace-of-alien-life/253093/
Robert Gray’s book is available here:
Our book: “SolderSmoke — Global Adventures in Wireless Electronics” http://soldersmoke.com/book.htm Our coffee mugs, T-Shirts, bumper stickers: http://www.cafepress.com/SolderSmoke Our Book Store: http://astore.amazon.com/contracross-20
Opening Scene of Contact (CQ at the end)
Mike Herr’s video on his use of an Arduino to call CQ SKN made it onto Hack-A-Day
yesterday and provoked some discussion there of the meaning of CQ. One fellow posted
this opening scene from the movie Contact. I thought you guys would like it.
Our book: “SolderSmoke — Global Adventures in Wireless Electronics” http://soldersmoke.com/book.htm Our coffee mugs, T-Shirts, bumper stickers: http://www.cafepress.com/SolderSmoke Our Book Store: http://astore.amazon.com/contracross-20
The Allen Telescope Array
I’m really getting into the SETI Live project. Whenever I get a chance I go to the SETI Live page, log on, and classify a few signals. Today I was looking at the tech aspects of the antenna array. Very interesting, and very appealing to homebrewers. They are making use of dishes that were made for TV reception. And they are using software-defined receiver systems. All of this makes upgrades relatively easy.
Jill Tartar of “Contact” fame is running this project.
Check it out: http://www.seti.org/ata
So, I’ll be I’ll be using a big array to listen (watch really) for the REAL DX on .5 to 11.2 Gigahertz. I’ll let you guys know if I hear any “new ones”!
Our book: “SolderSmoke — Global Adventures in Wireless Electronics”http://soldersmoke.com/book.htmOur coffee mugs, T-Shirts, bumper stickers: http://www.cafepress.com/SolderSmokeOur Book Store: http://astore.amazon.com/contracross-20
SETI Live!
Wow, this is really very interesting. The Allen Telescope Array (seen above) is back in operation and they are looking for on-line volunteers to analyze the signals that are streaming in. But unlike the now-familiar SETI-AT-HOME screensaver system, in SETI Live, they want you to personally evaluate signals — very recent signals — from the Allen Array. You’ll be looking at waterfall displays similar to what we see with SDR rigs. They want you to mark and classify the signals and then upload your work. They are trying to screen out terrestrial sigs, man-made satellites, etc.
This is just the thing for those days when the solar flux is low and 17 meters is dead!
Check it out: http://setilive.org/
Our book: “SolderSmoke — Global Adventures in Wireless Electronics”http://soldersmoke.com/book.htmOur coffee mugs, T-Shirts, bumper stickers: http://www.cafepress.com/SolderSmokeOur Book Store: http://astore.amazon.com/contracross-20
Messaging ET (METI), and Silicon-based Life Forms
My fellow beacon fans will like this one. The ultimate (REALLY ultimate) beacon! http://www.newscientist.com/article/dn21236-lets-build-a-beacon-to-tell-aliens-who-we-were.html?page=1
And then there is this article about silicon-based life forms. (At first I thought they were talking about us!) http://www.universetoday.com/91449/why-silicon-based-aliens-would-rather-eat-our-cities-than-us-thoughts-on-non-carbon-astrobiology/
Our book: “SolderSmoke — Global Adventures in Wireless Electronics”http://soldersmoke.com/book.htmOur coffee mugs, T-Shirts, bumper stickers: http://www.cafepress.com/SolderSmokeOur Book Store: http://astore.amazon.com/contracross-20
Can we put a Sputnik signal back in space for $300?
This article from Hack-a-Day caught my eye:
http://hackaday.com/2011/10/11/send-a-satellite-into-space-for-300/
We just make the antenna a bit longer and put it on 20 MHz. Or for a shorter antenna, 40 MHz.
Bert and the fellows out at UVA are going to take care of the whole SETI thing (Jerry, NR5A, was in the lead on this — he started the SolderSmoke SETI-AT-HOME group). But we’ll need some additional volunteers to cover the Low Earth Orbit portion of the SolderSmoke Space Program. And of course we have to come up with the 300 bucks.
Our book: “SolderSmoke — Global Adventures in Wireless Electronics”http://soldersmoke.com/book.htmOur coffee mugs, T-Shirts, bumper stickers: http://www.cafepress.com/SolderSmokeOur Book Store: http://astore.amazon.com/contracross-20




