Hall of Fame member Steve WD4CFN in Tennessee fired up his 40 meter Mchigan Mighty Mite (above) and made contact with ND4K in Georgia. FB Steve. Congratulations OM!
Category: Michigan Mighty Mite
Grayson Evans KJ7UM Interview at Four Days in May at the Dayton Hamvention 2025
Daniel VE5DLD’s FOUR FB Saskatchewan SolderSmoke Direct Conversion Receivers
Join the discussion – SolderSmoke Discord Server:
Documentation on Hackaday:
https://hackaday.io/project/
SolderSmoke YouTube channel:
Brian KA0PHJ’s CBLA SolderSmoke Direct Conversion Receiver
Brian KA0PHJ finished his receiver in early March, and has been adding mods ever since. He hopes to build another one for 80 meters and to use it with his Michigan Mighty Mite.
VIVA EL CBLA! VIVA!
Brian writes:
Bill,
FB Brian! Congratulations!
Join the discussion – SolderSmoke Discord Server:
Documentation on Hackaday:
https://hackaday.io/project/
SolderSmoke YouTube channel:
Sam WN5C uses ChatGPT as an Emergency Elmer
Sam WN5C has been on the blog before. Last year we covered his heroic use of a Michigan Mighty Mite at Thunderbird State Park: https://soldersmoke.blogspot.com/2023/06/sam-wn5c-builds-michigan-mighty-mite.html
This time, Sam writes about a good ham radio use for ChatGPT:
Hope you’re doing well. Just a quick note: ChatGPT is turning out to be a great homebrewing tool for me.
My elmer has been swamped with family issues, so my basic questions (“can you explain this circuit for me”) and hard questions (“why doesn’t this circuit I built work?!”) that he usually responds to right away has been a bit delayed. I’m in the process of designing a 5-band QRP CW transceiver with a superhet receiver and SSB receive so I’m learning a bunch of new circuits.
I’ve hated the idea of AI as someone who writes a lot (it cheapens what I’ve spent my career trying to perfect!), but man it is smart. I can ask it all kinds of questions. For example, it helped me design a little IF amp last night and ensured I got my impedance matching right (it’s great for mashing up lots of circuits and ensuring they work together). I can ask it for suggestions on part types and values. It helps with Arduino code if you’re into that. You can use plain language but it does well with heavy jargon. And, which I find really cool, it will step you through troubleshooting. It teaches the math, too.
Anyway, you or your readers might find this helpful. Especially when one is building at 3 AM and needs an answer immediately.
——————
Thanks Sam!
Excellent New Video from Grayson KJ7UM on his Thermatron version of the Michigan Mighty Mite
CBLA: A CALL TO ARMS!
Dave AA7EE alerted us to this attack. Please follow-up by posting reception reports (and triangulations!) in the comments below. Dave writes:
Recently, an unlicensed beacon (for which read pirate) has turned up on 3579 KHz. It seems to be located somewhere in the Western US, in the tradition of unlicensed HF beacons dating back to the late 80’s that were solar-powered, and located in remote areas of the Southwestern deserts. The very first ones were a cluster of beacons around 4096 KHz (a frequency for which crystals were cheaply and easily available).
Ciprian YO6DXE Puts the Michigan Mighty Mite on AM! (video)
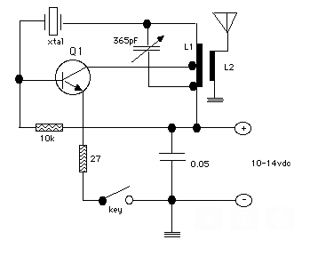
But How Does the Michigan Mighty Mite REALLY Work?
Dean KK4DAS and I were talking to Mark, a new homebrewer. After we sang the praises of the Michigan Mighty Mite, Mark asked us a good question: How does it really work?
I guess the starting point for analysis is the Barkhausen criteria (that Pete N6QW taught us): essentially you need enough feedback to overcome losses in the circuit, and this feedback has to be in phase with the signal at the input. The MMM is clearly oscillating, so the question becomes, “How does this very simple circuit meet the Barkhausen criteria?”
Here goes:
Sam WN5C Builds a Michigan Mighty Mite and Takes it to Lake Thunderbird
Retro QRP Rigs of the 1960’s, 70’s, and 80’s — Video by Mike WU2D
W2UO’s Michigan Mighty Mite — Made a Contact!
Hi Bill,
I found SolderSmoke about six months ago, and it’s quickly become one of my favorite podcasts.
I’ve been a ham since I was 11, but never tried my hand at homebrewing anything. I’ve always heard how hard it would be, and how a project like a SSB transmitter is just too far out of reach.
You and Pete are inspirational, so I set out to build a simple starter project, the venerable Michigan Mighty Mite. However not just any mighty mite, a usable one, not just a proof of concept. One intended to sit on a desk and look good doing it. Complete with built in low pass filter, tx/rx switching, and an internal dummy load.
I don’t know if I accomplished all that, but I did make a contact on it this afternoon. Next logical step I suppose will be to build a DC receiver to sit next to it.
Please find pictures attached, I’ve learned a lot about what not to do with project, so criticism is welcome.
73!
-Jim W2UO
Mike Caughran KL7R’s Last Podcast
Mike Caughran, KL7R, SK: Well-known low-power (QRP) and homebrewing enthusiast Michael S. "Mike" Caughran, KL7R, of Juneau, Alaska, died January 22 of injuries suffered in an automobile accident in Hawaii. He was 51. Caughran may be best known as one-half of the team -- with Bill Meara, N2CQR/M0HBR -- that created and produced the weekly SolderSmoke podcast <http://www.soldersmoke.com/>. "I think people were drawn in by Mike's friendly voice and manner," Meara commented on a memorial page for KL7R <https://kiwi.state.ak.us/display/mc/Home>. A member of ARRL and the Juneau Amateur Radio Club, Caughran also wrote articles for the Michigan QRP Club's T5W newsletter and he was an active ham radio contester. "Mike was one of those people who you instantly like because of his honest, straightforward and humble way of talking and expressing ideas," said Mike Hall, WB8ICN, who edits T5W. "His co-hosting of SolderSmoke provided me hours and hours of enjoyment." Caughran was an IT professional with the State of Alaska. Survivors include his wife and son.
Ciprian Got His Ticket: YO6DXE (and Romanian Mighty Mite FIXED!)
Ciprian writes:
Thank you so much to you all… and thank you SolderSmoke for always writing about my learning in homebrew gear. I did finally got my license… just waiting for the paperwork to arrive. But now I’m finally YO6DXE ( DX Explorer lol ). I did found my issue with the power… it seems that it’s from the cheap BD139 that doesn’t seem to work as expected. I get about 500mW with a 2n2222. So I ended up making another version of the transmitter that I’m really happy about. 73 to you all DE YO6DXE.
SolderSmoke posts about Ciprian: https://soldersmoke.blogspot.com/search?q=Ciprian
Ciprian’s QRZ.com page: https://www.qrz.com/db/YO6DXE
Ciprian’s blog: https://dxexplorer.com/
Ciprian’s YouTube channel: https://www.youtube.com/c/DXExplorer
Some Links for the Michigan Mighty Mite and the Color Burst Liberation Army from Dave K8WPE
Dave K8WPE has been one of the podcast’s best friends and one of its most loyal listeners. Dave was recently going through some back issues of SolderSmoke. This sparked a renewed interest in the Michigan Mighty Mite and the Color Burst Liberation Army. Dave sent us some useful links on this subject. (I had forgotten about the .io CBLA mailing list!) Thanks for this Dave, and for all your support and friendship over the years.
——————————————————–
Guys and Gals
Vienna Wireless Winterfest Hamfest 2022
Bill Talking about Homebrew Radio with L’Anse Creuse Amateur Radio Club (Michigan) — February 2, 2022 (Video)
Jack NG2E’s Winter SOTA Marathon in the Shenandoah
Our friend Jack NG2E is a homebrewer. He is also a Summits-On-The-Air guy. He does much of his SOTA operations along Skyline Drive in the Shenandoah National Park. Jack’s Story Map method of documenting this SOTA trip is very cool.
Elisa and I are frequent visitors to this amazing park. Both my kids went to college in the Shenandoah valley, and the park starts just one hour by car west of us. It is a beautiful place. The Appalachian Trail runs through the park; we have crossed paths with “through hikers” who are walking from Maine to Georgia. We have also met up with more than one Black Bear in the park (see below). My son Billy and I launched our Green Hornet rocket from a farm in the Shenandoah valley: https://soldersmoke.blogspot.com/2017/05/still-photos-and-slow-motion-video-from.html
I really like Jack’s use of both HF and 2 meter FM. This makes me think that I should blow the dust off my Baofeng HT and bring it out to the Shenandoah next time we visit. Jack’s 20 meter CW contact with Christian F4WBN in the Pyrenees added a nice element of transatlantic mountain symmetry.
Check out Jack’s Shenandoah Story Map:
https://storymaps.arcgis.com/stories/c9ff4a13eca24b37bc9dcda0d2dce989
Here’s another story map from a SOTA trip into the Adirondacks with info on his gear:
https://storymaps.arcgis.com/stories/594ca069a27147c1a8d8b79dc1513a72
I know that Jack wants to include a homebrew rig in his SOTA operations. That would significantly add to the already very high level of operational coolness. Perhaps Colin M1BUU or Paul VK3HN could provide some suggestions or encouragement in this area.
Thanks Jack. Happy trails. Regards to the bears!
Another M^3: The Michigan Micro Mote
Move over Michigan Mighty Mite and Mate for the Mighty Midget. There’s a new M^3 in town. And it is SMALL.
Hack-A-Day had an article on this today, and while it seems only tenuously connected to ham radio, I found it intriguing.









