Category: minimalist computing
Another M^3: The Michigan Micro Mote
Move over Michigan Mighty Mite and Mate for the Mighty Midget. There’s a new M^3 in town. And it is SMALL.
Hack-A-Day had an article on this today, and while it seems only tenuously connected to ham radio, I found it intriguing.
SolderSmoke Podcast #216 Is Available: BITXs, Paesano, Paraset, ET2, Antuino, Mailbag
![]() |
| Bill’s uBITX with HB keys and the mic that used to be the podcast mic! |
SolderSmoke Podcast #216 is available
21 December 2019
HAPPY HOLIDAYS TO ALL!
http://soldersmoke.com/soldersmoke216.mp3
Leif WB9IWT — helped me trouble shoot my uBITX (BFO was low)
Homebrew Processor with Discrete Transistors and LEDs
I’ve been working with an Arduino today. Seeing this video makes me feel like such an APPLIANCE OPERATOR. FB OM! No store-bought mystery boxes for him!
Thanks to Steve N8NM for alerting us to the magnificent project.
More details here:
http://www.popsci.com/man-builds-huge-megaprocessor
A Major Change For SolderSmoke: Introducing the WireWrapRap Podcast!
Kansas Mighty Mite
Our book: “SolderSmoke — Global Adventures in Wireless Electronics” http://soldersmoke.com/book.htm Our coffee mugs, T-Shirts, bumper stickers: http://www.cafepress.com/SolderSmoke Our Book Store: http://astore.amazon.com/contracross-20
Manhattan Mighty Mite: “Rockin’ the Big Apple on 3.579”
Dave W2DAB got his Manhattan Mighty Mite oscillating nicely! Hooray!
Check out Dave’s report on his Mighty Mite adventure:
http://w2dab.bamford.net/
So far we have sent out 20 colorburst crystals. Already we have two circuits oscillating (not counting Pete’s and mine).
CLA is on the march!
E-mail from Dave:
Our book: “SolderSmoke — Global Adventures in Wireless Electronics” http://soldersmoke.com/book.htm Our coffee mugs, T-Shirts, bumper stickers: http://www.cafepress.com/SolderSmoke Our Book Store: http://astore.amazon.com/contracross-20
FINALLY! A Computer Made with Discrete Transistors!
Note the discrete BJT transistor T-shirt. Note the haunted, obsessed look in his eyes. This fellow is building a computer out of discrete transistors. He clearly has The Knack.
http://hackaday.com/2014/11/22/a-4-bit-computer-from-discrete-transistors/
Our book: “SolderSmoke — Global Adventures in Wireless Electronics” http://soldersmoke.com/book.htm Our coffee mugs, T-Shirts, bumper stickers: http://www.cafepress.com/SolderSmoke Our Book Store: http://astore.amazon.com/contracross-20
“The Economist” on Raspberry Pi
http://www.economist.com/node/21576780
Our book: “SolderSmoke — Global Adventures in Wireless Electronics” http://soldersmoke.com/book.htm Our coffee mugs, T-Shirts, bumper stickers: http://www.cafepress.com/SolderSmoke Our Book Store: http://astore.amazon.com/contracross-20
The Raspberry e-Bay Multi-Mode Beacon of M0XPD
From: Paul Darlington
Subject: Multi-mode QRSS beacon on the Raspberry Pi
To: “Bill Meara”
Date: Sunday, January 20, 2013, 8:32 AM
http://m0xpd.blogspot.co.uk/2013/01/multi-mode-beacon-on-rpi.html
Our book: “SolderSmoke — Global Adventures in Wireless Electronics” http://soldersmoke.com/book.htm Our coffee mugs, T-Shirts, bumper stickers: http://www.cafepress.com/SolderSmoke Our Book Store: http://astore.amazon.com/contracross-20
Move over Altoids Tins! Legos for Raspberry Pi Case
Too bad the Raspberry Pi board is a bit too big for our beloved Altoids tins. It would have been a very fitting match: British board in a British box. A twelve year-old has solved the problem with Legos: http://blog.makezine.com/2012/06/11/lego-raspberry-pi-enclosure/
Will this lead to raids on the toy boxes of the grandchildren of SolderSmoke fans?
Billy’s RasPi is running nicely (but no Legos for him).
Our book: “SolderSmoke — Global Adventures in Wireless Electronics” http://soldersmoke.com/book.htm Our coffee mugs, T-Shirts, bumper stickers: http://www.cafepress.com/SolderSmoke Our Book Store: http://astore.amazon.com/contracross-20
Homebrew CPU
From the site: I understood these computers well, but the processor itself was still a mystery. I wanted to understand that part too, at the logic gate level. I sometimes thought about making my own processor, and designed small instruction sets and instruction formats. But the task seemed beyond the grasp of a hobbyist such as myself.
Our book: “SolderSmoke — Global Adventures in Wireless Electronics”http://soldersmoke.com/book.htmOur coffee mugs, T-Shirts, bumper stickers: http://www.cafepress.com/SolderSmokeOur Book Store: http://astore.amazon.com/contracross-20
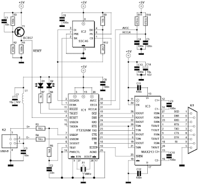
OK, OK, I won’t cut open the USB cable,,,

I foolishly thought I could just open that baby up and work on it like the old serial port cables. I have been told (many, many times) that this can’t be done. Man, you know things are getting complex when the cables have schematics. G8INE sent me the above diagram of a USB-Serial converter cable. E-bay here I come!
Sinclair 1000 Computer For Sale
Take a walk down (low) memory lane…
http://cgi.ebay.com/ws/eBayISAPI.dll?ViewItem&item=320699873588&ssPageName=STRK:MESELX:IT
Some Tech Humor
Apparently Pluto’s demotion from planet status might have been a bit unfair. Researchers say that the rival to Pluto that was discovered six years ago is actually smaller than Pluto.
And I thought this BBC skit on computer problems would yield a few chuckles from the SolderSmoke community. (For U.S. readers: Orange is a big ISP/mobile phone provider in the UK and elsewhere.):
http://www.youtube.com/watch?v=kAG39jKi0lI
The Arduino Documentary
Arduino The Documentary (2010) English HD from gnd on Vimeo.
Embedded controllers may seem a bit far afield for SolderSmoke. After all, I kind of gave up on surface mount, and have pretty much resigned myself to “hardware defined radios.” (Someone sent me a picture of a T-shirt that kind of captured the sentiment: “I PROGRAM IN SOLDER!”) But still, for a number of reasons I find Arduino intriguing. Aside from the amazing things you can do with this device, I like the homebrew, hands-on aspect of it. As you will see in the documentary, there is a real spirit of international collaboration in Arduinoland — Italians, Spaniards, Colombians, Americans all working together on the project (the documentary itself is also available in Spanish). I also like it because it has its roots in Italy. So, even if you are not into embedded controllers, check out the documentary. I think you will like it.
Black Boxes No More! Cracking Open CPU Chips!
You guys have to see this. These guys have opened up some old CPU chips and have drawn the circuit diagrams for all the transistors. Then they made models of the circuitry. And they can runs programs on the models! From the site:
Have you ever wondered how the chips inside your computer work? How they process information and run programs? Are you maybe a bit let down by the low resolution of chip photographs on the web or by complex diagrams that reveal very little about how circuits work? Then you’ve come to the right place!
The first of our projects is aimed at the classic MOS 6502 processor. It’s similar to work carried out for the Intel 4004 35th anniversary project, though we’ve taken a different approach to modeling and studying the chip. In the summer of 2009, working from a single 6502, we exposed the silicon die, photographed its surface at high resolution and also photographed its substrate. Using these two highly detailed aligned photographs, we created vector polygon models of each of the chip’s physical components – about 20,000 of them in total for the 6502. These components form circuits in a few simple ways according to how they contact each other, so by intersecting our polygons, we were able to create a complete digital model and transistor-level simulation of the chip.
This model is very accurate and can run classic 6502 programs, including Atari games.
I had some technical (operator!) problems with Audacity this morning. Podcast 129 should be out tomorrow morning.
Computer Successfully COOKED!
I must say, this was one of the strangest repair jobs I’ve ever had: You may have heard the background: My wife’s three year-old Sony Vaios ‘puter suddenly came up with really serious graphics problems. A quick Google revealed that lots of computer have this problem (lots of brands… including Apple). We took the computer down to the Sony store and they got all legalistic on us. Yes, it was clearly the video card. Yes, Sony had agreed to fix the video cards. BUT unfortunately Sony had not put our model number on their list of computers that they would fix. So they wanted to charge us $400 to fix the problem. No thanks Sony! Goodbye Sony!
Inspired by the iFixit poster on the wall of my shack, I did some more Googling. Soon I’m reading messages from all around the world recommending that I — in one way or another — cook the computer. But why? Is the problem IN the GPU chip? Or is it in the solder connections between the chip and the board.
Gents, you’ll be pleased to learn that this is a SOLDERING problem. Looks like NVIDIA used a bad mixture of soldering types. There is apparently little blobs of solder on the baord, and little blobs of solder on the chip. LOTs of little blobs. Surface Mount to the MAX! But they used two different solders and this causes the connections to fail far more quickly than they should have. Here are the details:
http://s0.2mdn.net/2994486/Polycom_inquirer.html?rfp=http://www.theinquirer.net/inquirer/news/1004378/why-nvidia-chips-defective
Enter the oven solution. The idea is to simply re-heat the chip and make the solder at the connections melt again!
YouTub presents lots of different ways of doing this. I like the idea of using a bright lamp to administer the heat. I used a 120 watt Halogen beam lamp. The kind that you see on lights for the backyard. I tested its heating properties on a chunk of 60/40 rosin core solder. At about 1/2 inch it melted the solder in 30 seconds.
I put the beam on the TOP of the chip and gave it about 30 seconds of burn. Then I administered some heat sink compound, vacuumed out the fan, and put the computer back together.
IT WORKED! That computer is now working just as it had before. This was a very satisfying repair, but there was no real troubleshooting, so it wasn’t really up there with my favorite fixes. You can check out www.computerrepairtraining.org if you want to learn more about fixing computers.
I’ll put one of those cheap laptop coolers underneath it. I’m guessing that this thing will go for another few years.
Thanks to all who provided advice. Thanks to ifixit for the inspiration. Thumbs down on Sony. BOOOOO! HISSSSSS!
Should I Put My Sony Computer in the Oven?
In a recent podcast I asked for help with my wife’s ailing Sony Vaios computer. The graphics card has gone toes up. Sony acknowledges that they had BIG problems with the NVIDIA graphics cards, but even though our computer has an NVIDIA graphics card and has all the symptoms that come with the NVIDIA graphics card problem, because our particular model is not on their list of affected computers, they won’t fix it. (Mental note: Don’t buy any more Sony computers!)
Anyway, KB1SNG recommends putting the mother board in the oven:
As crazy as it may sound, you could try putting the motherboard in the oven.
Many people (including myself) have tried this with success.
I did it a while ago, and I can’t remember if this ( http://www.overclockers.com/forums/showthread.php?t=606658 ) was the guide I used or not, but it should suffice. If I find the other link, I’ll post it here.73,Nick LaPointe, KB1SNG
Rogier provides this useful info:
NVIDIA lost a lawsuit with regards to a faulty graphics Chip. Caused by the fact that when they started using lead free solder. This new solder turned out not as heat resistant as thought and tends to break loose causing the chip to fail.
He continues:
Hmm that’s a bold move to put the board in the oven.
On the other hand there is little to be lost and you might give it a try.
Thinking of it I rather apply the heat locally. Isolate the Graphics chip from the rest and apply a short blast of heat to the chip.
Perhaps with a hot air paint stripper….
So what do you guys think? Should I pop it in the oven? Or apply some heat? I kind of like the idea of fixing a problem caused by lead-free solder (yuck).
Receiver Success! Combining Computers and Homebrew Radio
Well, it turns out that yesterday was a GREAT day for a new receiver. When I got home from work 30 meters was open. I fired up the new receiver and the FLDIGI program. Immediately I started to see and decode PSK-31 signals. I quickly switched over to the WSPR program and right away I could see the little two minute WSPR sigs. Here is what my screen looked like:
The program also began to automatically upload reports to WSPR HQ. Here is the report I found on the WSPR web site this morning:
I know all this WSPR and digi stuff often seems to be very computer-centric, and very “appliance radio,” but I think this little project shows how we can have the best of both worlds: This rig combines a laptop computer and some pretty sophisticated software with a VERY simple, discrete component, homebrew direct-conversion receiver.
OK. So you see that I left a lot of space on the PC board. That’s where the DSB transmitter (for WSPR and possibly PSK-31) will go.
BTW: You can keep an eye on my reception reports by going to the Database section of the WSPRnet site and plugging my call (I0/N2CQR) into the “reporting station” block. I’ll leave the receiver on today.






