https://www.merriam-webster.com/dictionary/kludge
What say our British cousins? How do you pronounce the word?
Kluge as in huge?
Kludge as in fudge?
SolderSmoke Daily News — Ham Radio Blog
Serving the worldwide community of radio-electronic homebrewers. Providing blog support to the SolderSmoke podcast: http://soldersmoke.com
https://www.merriam-webster.com/dictionary/kludge
What say our British cousins? How do you pronounce the word?
Kluge as in huge?
Kludge as in fudge?
“Okay, gang are you ready to play radio? Are you ready to shuffle off the mortal coil of mediocrity? I am if you are.” Shepherd
I Googled the quote and that took me to this 1966 article from Harper’s:
http://www.keyflux.com/shep/shepharp.htm
The article is a (mostly) accurate view of Shepherd. Much of it would not be socially acceptable today (and rightly so). The article correctly describes Shep’s stories as being truth-based but also filled with hyperbole.
This got me wondering: How did Shep pronounce kludge? I mean, it could have been him who put me on the pronunciation track of kludge like fudge. He wasn’t being listened to outside of NYC, and maybe Boston and San Francisco. So that may explain why the rest of the country is getting the pronunciation so completely wrong. We may be on the verge of a breakthrough here. Steve Silverman: ALERT!
Can anyone find a recording of Shepherd using the word Kludge? A Bronze Figlagee with Oak Leaf Palms will be awarded.
Check out the Harper’s article and the video (above) of Shep talking about THE SECRET PEOPLE.
EXCELSIOR!
At about 12:26 in this video, David Brooks uses the word “kludge” on the Public Broadcasting System. He pronounces it CORRECTLY! (But then he and the host question whether it is a real word.)
I’ve had this Radio Shack DX-390 portable receiver since the early 1990s. I bought it when I was in the Dominican Republic. It accompanied me on some interesting trips to the Haitian border, and on one very memorable 1994 trip to the Haitian capital. I have made some CW contacts with it serving at the inhaler.
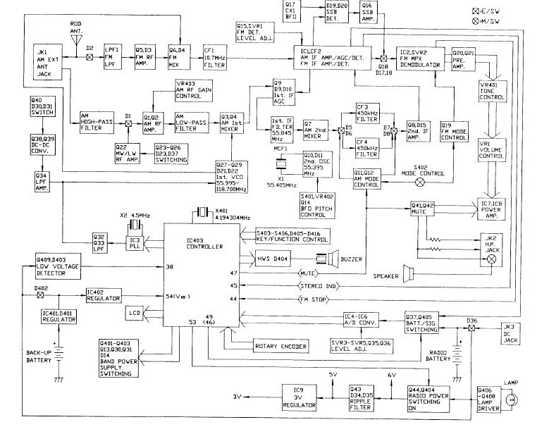
Click on the diagram for a better view. It is a dual conversion superhet. First IF is at 55.845 MHz. There is a big 90’s era IC-based PLL oscillator that runs from 55.995 to 118.7 MHz — The main tuning dial moves this oscillator. Second IF is at 450 kHz. There is an oscillator at 55.395 that takes the signal down to 450 kHz. Selectivity (not a lot) is provided by ceramic filters. Finally there is a product detector and a 450 kHz oscillator that produces the audio. While there are many mystery chips in this receiver, there is also a lot of discrete-component analog circuitry in there — it is kind of a pleasing mix.
![]() |
| DX-390 Main Board. Note kludged toroidal replacment for L10 (just above ferrite antenna) |
The old DX-390 suffered a lot of wear and tear. The case is very beat up. The most serious problem was that at some point, probably on a cold, dry, winter day in Virginia, static electricity took out the FET in the receiver’s front end. I made a half-hearted effort to fix it, but it never really worked properly.
I occasionally found myself thinking of this receiver. I spotted one on e-bay not long ago, and bought it. This newer one was in very nice shape.
But that old one was kind of staring at me from the corner of the shack. “C’mon radio man,” it seemed to say, “can’t you fix a shortwave receiver?” So this week I took up the challenge.
First the FET. I had kludged an MPF102 in there, but that didn’t seem to work well. Internet fora seemed to think that a J310 would do better, so I installed one of them — it did seem to work better. (Note: Pete Juliano likes J310s — TRGHS.)
![]() |
| Kludged in J310. And two sets of back to back diodes |
During my earlier repair effort I had apparently destroyed the front end output transformer (L10) but I discovered that I had replaced this with a toroidal transformer. It still worked, so I left well-enough alone.
I was pleased that the old receiver was receiving OK, but there was a problem: The “BFO” control wasn’t working. The BFO would come on, but turning the BFO control did not vary its frequency.
At this point I discovered that while there are many copies of the DX-390 service manual and schematic on the internet, all of them have seriously degraded copy quality right around the parts of the circuitry that I needed to study. Sometimes Murphy overpowers the Radio Gods. It took me a while to get a useful schematic of the BFO control mechanism.
BFO is a bit of a misnomer here: the control actually shifts the frequency of the 55.395 MHz oscillator that drives the second mixer. See Block diagram above). There is a varactor diode in the base circuit of a BLT oscillator circuit. Turning the BFO control varies the voltage going to the varactor thus causing the oscillator frequency to slide up and down. But mine wasn’t moving. And that was a problem.
So I dove right in, trying to figure out why it was oscillating, but not shifting in frequency. At this point I discovered that I too am afflicted with the disease that Pete Juliano suffers from: Fat Finger Syndrome. That BFO control circuit has a nice big 100k pot, but all the fixed resistors and caps were surface mount and SMALL. As I poked around trying to troubleshoot, I managed to make things worse. It turned out that the lead carrying 6 volts to the BFO control circuitry had broken. But before I discovered this, I managed to do all kinds of damage to the board. I lifted two PC board pads (I should have turned down the temperature on my soldering iron). Then, when I tried to fix this, I managed to put a solder bridge across two parts of the circuit that definitely should not have been connected.
This resulted in a bizarre BFO situation. From the center position, turning the BFO to the left OR TO THE RIGHT would move the BFO in the same direction. So I could tune in an SSB station by turning to the right, or by turning to the left. That was just not right.
![]() |
| Lifted solder pads. And small wires that now bridge the gaps |
Uffff. It took me a while to find that fault. While trying to figure this out, I built the circuit in LTSpice just to see what it was SUPPOSED to be doing. This helped. Eventually, through careful inspection with magnifying goggles, I found a solder blob, and removed it. Now all was right with the universe. Even though I had caused most of the trouble, it was still quite satisfying to fix it.
Some additional observations on the DX-390.
— It really is a Sangean ATS-818 in disguise. Just look at the marking on the PLL board. If you can’t find a decent DX-390 schematic, just use an ATS-818 schematic.
![]() |
| ATS 818 marking along the bottom (green) part of the PLL board |
— The service manuals on these receivers are quite good: the include bloc diagrams, detailed alignment instructions, and even voltage charts for all the chips and transistors. Impressive and useful.
— The static discharge vulnerability is hard to understand. There is so much cool circuitry in these receivers, why not add four simple diodes? Not wanting to repeat this saga, I went in and put two sets of back-to-back small signal diodes in each receiver: one set on the telescoping antenna, and other at the input for the external antenna. Curiously, on the newer receiver, it looks like a previous owner had gone in and tried to address this vulnerability — but he did a very incomplete job. He just put ONE diode between the external antenna input and ground. I had always thought that two diodes back to back would give you good protection from static discharge. And I don’t think that single diode protects the front end in any way from discharge coming in from the telescoping antenna.

Our book: “SolderSmoke — Global Adventures in Wireless Electronics” http://soldersmoke.com/book.htm Our coffee mugs, T-Shirts, bumper stickers: http://www.cafepress.com/SolderSmoke Our Book Store: http://astore.amazon.com/contracross-20
Recent e-mails and Facebook postings from Jim (W8NSA) and Michael (AA1TJ) got me thinking about my old W7ZOI/W7PUA power meter. The 15 inches (38 centimeters) of snow that fell last night gave me the day off — and time to play with this very useful and interesting piece of gear.
The last time I used it I remember thinking that a digital readout would be nice. But I didn’t feel like going back into the world of Arduinos and LCD screens. So I came up with a real Kludge solution: I had cheap little DVM that I wasn’t using, so I just velcroed it to the side of the power meter. That little connector above the BNC is the output for a DVM. I might work on calibration later today.
Wes has some very interesting info follow-up info on the meter on his site: http://w7zoi.net/qststuff.html
I really like the part about how the meter is so sensitive that you can see the thermal noise in the input circuit and can actually measure the strength of signals from your antenna.
I think I might need a low pass filter at the input of the meter. There are strong FM broadcast transmitters in this area (some of you may have listened to them in the background of early episode of the SolderSmoke podcast!). I notice that just bringing my fingers close to the input causes the meter and the DVM readout to swing up. That’s not good.
Our book: “SolderSmoke — Global Adventures in Wireless Electronics” http://soldersmoke.com/book.htm Our coffee mugs, T-Shirts, bumper stickers: http://www.cafepress.com/SolderSmoke Our Book Store: http://astore.amazon.com/contracross-20
The Maker Blog has a nice article on Cliff Stoll, the author of “Silicon Snake Oil” and “The Cuckoo’s Egg.” I liked Cliff’s books and included quotes from them in “SolderSmoke — Global Adventures in Wireless Electronics.” I was glad to see that Cliff is doing well and still tinkering. Be sure to check out the video on his R/C fork lift. FB OM.
I was, of course, very intrigued by the slide showing the symbol of the “KlugeMeisters of America.” Can we get a pronunciation ruling from Cliff? Can we nominate people for induction into the KMA?
In Spiritu Klugo! Non Vacuo Sine Glyptum! Words to live by, my friends… Patrick Murphy explains all this here: http://www.cv.nrao.edu/~pmurphy/kluge_where.html
Our book: “SolderSmoke — Global Adventures in Wireless Electronics” http://soldersmoke.com/book.htm Our coffee mugs, T-Shirts, bumper stickers: http://www.cafepress.com/SolderSmoke Our Book Store: http://astore.amazon.com/contracross-20
Forget about the sequester! The real issue facing our country is the proper pronunciation of the word Kludge. Several visitors to the SolderSmoke table at last weekend’s Winterfest weighed in on this issue. SolderSmoke Lexicographer Steve Silverman wrote to inform me that I had totally misinterpreted his e-mail — he is in fact rather firmly in the Klooge as in Stooge camp. I, however, am sticking to Kludge as in Fudge. It just feels right. And I may use the awesome power of the SolderSmoke media empire to actually CHANGE the way people pronounce this word.
Check out the California Kilowatt ad. In retrospect, probably a poor choice of brand name.
Our book: “SolderSmoke — Global Adventures in Wireless Electronics” http://soldersmoke.com/book.htm Our coffee mugs, T-Shirts, bumper stickers: http://www.cafepress.com/SolderSmoke Our Book Store: http://astore.amazon.com/contracross-20