Category: phasing
Hodgepodge: Tablet SDR with a Bluetooth Mouse (video)
Kevin AA7YQ (Montana Smoke Jumper) Launches his SDR/HDR Build Blog
Earlier this month I posted a note from Kevin AA7YQ describing his effort to design and build a nice transceiver that mixes the best of SDR and HDR. Kevin has launched a blog in which he will describe the project in more detail. He is looking for constructive feedback and suggestions. Check it out:
Thanks Kevin.
Nick M0NTV’s Really Useful SDR Transceiver (video)
Pete N6QW and Steve G0FUW Talk to RSGB About Homebrew (Video)
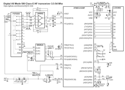
QCX SSB — But How Much QCX Remains?
Hack-A-Day carried a very nice video describing recent efforts to turn Hans Summers’ amazing QCX CW monoband transceiver into a multi-mode, multi-mode (including SSB) rig (see above). This is project will greatly interest QCX and SDR fans.
But I wondered how much of the old QCX is still there after the modification. Not much, it turns out.
Here is the bloc diagram of the QCX. It is essentially a phasing rig, using the same principles as my venerable HT-37 transmitter and my version of KK7B’s R2 receiver:
N6ORS’s Hot Mustard Phasing Board. And how Phasing Works.
Its been a while. Lately I’ve been working on a phasing transceiver
that fits in a tiny can. Its called Hot Mustard. You need hot mustard
when you hamming. I finished the phasing board, its 10 poles , 5 in each
phase branch. here is a pic. Building the cpu board
next. I’ll document this one for a change hihi.
73,
Keith N6ORS
A while back I did a little diagram that — for me — explains how phasing cancels one of the sidebands. It appears below. I think Keith’s board is for the 90 degree audio phase shift. You can see how, by changing the shift from you can affect the degree of sideband suppression. I guess by going from -90 to +90 you could completely switch sidebands.
SolderSmoke Podcast #221 is available — Quarantine Rigs, Phasing, SWL, Parts Suppliers, Mailbag
![]() |
| Q-31. “Roll-bar” on cap. Note RGS316 coax between stages. Country markings on tuning dial |
SolderSmoke Podcast #221 is available:
25 April 2020
http://soldersmoke.com/soldersmoke221.mp3
![]() |
| Pete’s Quarantine 6V6 Rig |
“Sideband Suzy” and the History of SSB
Farhan alerted us to a very interesting presentation on the history of single sideband: It was in episode 81 of Bob Heil’s “Ham Nation” show. It starts at minute 22:
https://www.youtube.com/watch?v=xSF0WBdK1IQ&feature=youtu.be
Two things really caught my attention:
— Note how OM Carson, way back in 1915, had figured out how to get rid of the carrier, but needed some way of eliminating the unnecessary sideband. He did it by using his antenna tuner as a filter. FB OM!
— In the early days of SSB, when it was an exciting new technology, hams had regular “sideband dinners.” At these events an award was presented. Kind of like an Oscar or an Emmy I guess. The award was the “Sideband Suzy” (see above). Kind of a classic figure… but half of Suzy was missing!
Renewed Hope for Divide by 2 I and Q
An anonymous reader posted this interesting message in the comments section yesterday. Very interesting. A potentially important tip that may help in the quest for 90 degree phase shift with divide by 2 Flip Flop circuits. What do you guys think? And who is that masked man?
I wanted to make a comment regarding your Frankenstein R2 Clock divider, but did not come around to do it until now and fear if I were to put it below the appropriate post, it would be so many pages away nobody sees it. Please forgive me for posting this here if my assumption is wrong. I had a play with two edge-triggered JK – Flip Flops (74HC109 & HC107) and tied the J and K to the appropriate rails to use them as T- Flip Flops. Because of one being positive, the other one being negative edge triggered, this behaves as a divide by 2 IQ clock generator. The HC107 has an inverting clock input, so as with the other design, some kind of inverter is involved. And as Bill has reported, I initially measured the Phase shift on the scope to be off. But while playing around, I realized this was a function of the signal level. I could tune the phase shift by adjusting the signal level of the driving clock! When the clock and power supply levels were almost equal, the phase shift was very close to 90° and pretty stable with frequency (tested with 1-10Mhz). Later I thought about it some more and suspect it might have to do with the exact time the inverter “flips” on different signal levels in relation to supply voltage level. Aside from the exact cause, I believe one could vary the supply voltage of the gates with the same effect on the phase shift as with varying the signal level. I hope my observation helps to somewhat make the advantages of divide by 2 IQ clock generators more accessible.







