Category: ET-2
The Lamakaan Annual Radio Convention Starts Today!
Here’s a time zone converter: https://www.timeanddate.com/worldclock/converter.html?iso=20211211T043000&p1=505&p2=250&p3=137
Here is the Lamakaan Club’s YouTube Live Channel. https://www.youtube.com/watch?v=cRznKwGgvDo
I don’t know how we might be able to watch or listen via the QO100 satellite. The U.S. is not in the footprint of this bird. But there is a good WEBSDR receiver run by BATC and AMSAT DL: https://eshail.batc.org.uk/
Hangin’ it up (the ET-2)
My ET-2 minimalist QRP CW adventure is (for now) officially over. I have taken the rig – festooned with the callsigns of all the stations I contacted — and have put it up on the wall. This may be a new form of art. I think I am the first radio amateur to do this. I think it is pretty cool.
Crystals — Old and New and World War Two
Finally, Chris KD4PBJ has been helping a buddy of his buy a Drake 2B. This morning Chris asked about the E Crystal adjustment coil on the back of the Drake. I told him that was to allow the use of “overtone” crystals. But, sadly, I advised him not to worry about it too much because the days of ordering bespoke crystals (overtone or otherwise) are behind us.
My QRPp Signal Arrived in Utah — 100 mW, 1950 miles, 26 db Above the Noise!
![]() |
|
“Realtime spots are being received at this location and uploaded to the Reverse Beacon Network.”
|
![]() |
|
“CW Skimmer antenna is located on cliff edge overlooking the Virgin River Valley, 1,200 ft. below.”
We reported on the WA7LNW RBN station back in 2013: https://soldersmoke.blogspot.com/2013/03/edgy-skimmer-antenna.html
|
ET-2 Contact #18 W4FOA — RANDOM, UNSCHEDULED, AND NOT SPOTTED (Video)
On December 1, 2019, my 100 milliwatt signal flew more than 500 miles to reach Tony W4FOA in Chickamauga, Georgia. And — icing on the cake — this was a random contact. Tony just heard my CQ on 7038 kHz — he had not been alerted to my CQ by any spotting site or by the SKCC Sked page. I made a quick video of my side of the contact (above).
In a follow-up e-mail Tony explained how my CQ sounded to him:
From Tony’s QRZ.com page, we learn more about his ham radio activities (note his homebrew rigs and his obvious affection for the Drake 2B and 2BQ)
First licensed as WN4FOA in April 1954. Other calls held include EL2AD, 7Q7AA, PY1ZBA. Prefer to work CW but I do work some SSB, primarily DX-related. Enjoy chasing DX on all HF bands. Have 9BDXCC and I now have worked and confirmed all of the current DXCC countries . I enjoy QRP operation and currently use an Elecraft K2 (#2213),Ameco AC-1, Kenwood TS-130V SW-40, DC-40, HW-8 (2), Heathkit HW-9 Deluxe (WARC) PSA-9 HFT-9B SP-99 HM-9 HD-420 VLF, MFJ 40T and MFJ 40V VFO, and a homebrew 6AG7/6L6 or a 6C4/5763 etc. I also enjoy operating boatanchor gear which includes a Johnson Viking Adventurer, Viking Challenger, an Eico 720 and an Eico 723 with a HG-10B VFO and a Heath AT-1 and a Drake 2NT. Recently added a neat Lysco 600 transmitter and a Knight Kit T-60, Johnson Viking II, and a Ten Tec 544. Boatanchor receivers include a Hallicrafters SX-100, SX-110, SX-71, Drake R4C and the incredible Drake 2B/2BQ combo. Recently added a Kenwood TS-830S, VFO-240, AT-230 and SP-230.
![]() |
| Tony W4FOA |
Thanks a lot Tony. 73
ET-2 Contact #16 — Pete, KD2OMV, Builder of a 6T9er (with video)
Yesterday I had my first contact using the ET-2’s improved receiver. I had watched the video of N0WVA’s receiver and I realized that more sensitivity was possible. So I tried to replicate his LC ratio. I think that helped a lot. Today I posted a plea for help on the SKCC Sked page and then called CQ on 40. I was answered by Pete, KD2OMV who was so loud that I had to take the headphones off my ears! He was booming in, all the way from upstate New York. The receiver was running off a somewhat depleted 9 volt battery. I made a quick video (above). I’m just holding the I-phone up to the headphone, while also trying to copy the incoming CW.
This was a really great contact. Pete has a wonderful knack story. He was licensed as a kid but never made a contact. As an adult he found his old box of parts for a 6T9er in his parents house. So he builds it and uses the homebrew rig to make his first ham radio contact. FB Pete. Thanks for the contact OM. I wrote your call on the ET-2.
![]() |
| Pete KD2OMV |
Contact #10 with the ET-2 — Perry K9NZ
SolderSmoke Podcast #214 is FINALLY out!
WE ARE WORKING TO IMPROVE THE AUDIO QUALITY. IN THE FIRST RELEASE OF THIS PODCAST SOME OF THE AUDIO WAS KIND OF MUFFLED. I TRIED TO FIX IT THIS MORNING AND I THINK I MADE SOME IMPROVEMENTS. THE IMPROVED AUDIO IS NOW AT THE LINK BELOW.
4 November 2019 (shockingly late!)
http://soldersmoke.com/soldersmoke214.mp3
The visit of Farhan to Northern Virginia
“I heard this guy from Southern California on 20…”
Fire Report from Pete
Pete’s Bench Report
“When you know stuff, you can do stuff!”
The CRAP rigs
Old Boatanchors — the Swan 120 with SUPER STABLE ANALOG VFO!
Ten Tec rigs dial cord replaced with Chinese digi sig counter
Pete’s 500 mW encounter with a QRO curmudgeon
The ZL2BMI Challenge has Pete building crystal filters
The Left Coast Loafer CW rig
Bill’s Bench Report
ET-2 Refinements
N0WVA’s Regen Receiver
Going from ET-1 to ET-2
J-310s vice MPF-102
100 mW from a single J-310
Receiver kind of deaf -103 dbm MDS
10 contacts so far in 9 states
THREE contacts yesterday.
Worked Wisconsin – 633 miles on 92 mW
We are at sunspot minimum.
“Rage, rage against the dying of the light.”
Simplicity is the real reason for CW
IDEA: Get those Michigan Might Mites on the air!
Use Reverse Beacon Network to see if you are getting out
Use SDR receivers to make contacts
MAILBAG
DL1AJG
KC6SAX
W9VNE
KA4KXX
N0WVA
Zl2BMI
AJ6BD
Minimalist Masochism at Solar Minima — But More Contacts with the ET-2
![]() |
| Dylan Thoams |
“Rage, rage against the dying of the light”
I thought of that line from Dylan Thomas’s poem when I read on G3XBM’s web site that we are kind of at the very bottom of the solar cycle. Roger wrote on 22 October: “Solar flux is 64 and the SSN 0. A=5 and K=0. As far as I am aware this is the lowest solar flux this solar minimum.”
I also thought of this as I pounded brass (Indian brass!) in an effort to make a few more contacts with my ET-2 two transistor rig. Obviously venturing forth on 40 meters with just TWO transistors (one for transmit and one for receive) and crystal control AT SOLAR MINIMA is not for the faint of heart. It is almost a Dylan-esque act of defiance.
I have had to resort to pleas for help on the DX Summit, the SolderSmoke blog, and the SKCC Schedule page. Fortunately for me, the brotherhood has sprung to my support.
W1PID (who gave me contact #3) also gave me contact #4 on 21 October.
W4KAC in Hickory NC was contact #5. This was on 22 October. This was the only marginal contact so far. He was running 5 W into an end fed half wave.
Yesterday was a big day for the ET-2. I had two solid contacts:
#6 was N2VGA in New York UPDATE: Larry N2VGA confirmed by e-mail that this was a “random” contact — not the result of my on-line pleas for assistance. He just heard my CQ and responded. FB.
#7 was K4CML in Newport News, Va. He switched to QRP himself at 2.5 watts for a nice 2X QRP contact.
Looking at my Rigol ‘scope, I now think I’m putting out about 150 milliwatts. Not bad for a single J310. I may have to invest in a heat sink.
40 seems most cooperative in the morning (around 0930 local) and again in the afternoon (around 1630 local).
Thanks to all who have helped. I will try to make a few more.
Farhan Visits Northern Virginia and SolderSmoke HQ
QSO #3 with the ET-2 Minimalist Transceiver
More on the ET-2 : Better Pictures and More Circuit Description. Some Thoughts on Simplicity
|
|||
Fort Mill, SC
|
|
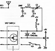
The transmitter is VERY simple. Nine parts, including the low-pass filter. You can barely see the J310 FET to the right of the crystal.
Here is the receiver:
I really like N0WVA’s regen. The green diode in the source circuit is the key. This one does not squeal when you go into excessive regeneration (when you think about it, regens should NOT squeal at audio frequencies — but most do). Also, the green diode dims a bit when you are at the right amount of regeneration. In the picture you can look down the tube of the variometer that Pericles HI8P gave me many years ago. The big variable cap is from the junk box — I think it may be from a Johnson Viking transmitter. Note the long shaft with the insulating connector — this is to reduce the hand capacity effect. On the right you see a smaller cap with just one vane — this is my fine tuning control — with the smaller cap at mid range, I would just set the big capacitor to put the receiver at 7040 — with the smaller cap I could tune +/- 12 kc. I also used an insulating shaft on the smaller cap — the connector for this one is from an old 1930s era regen that I picked up at the Kempton Part rally in London.
Instead of the audio transformer and Radio Shack headphones, I just used some old DLR-1 WWII Headphones. They are very sensitive and work well.
Lots of soul in this new machine: The variometer from Pericles. The WWII headphones. The 1930s era shaft connector. The circuit idea from the Autumn 2001 SPRAT. Farhan’s key.
I recently read on Hack-a-Day of a new FPGA chip that has on it 35 BILLION transistors. I’m sure that thing can produce some fascinating results, but can anyone really understand it, or feel that they really BUILT something that has that kind of chip at its center? On the other hand, I did rely on a lot of modern digi technology in this project: The Reverse Beacon Network reported back that my unanswered CQs were in fact getting out (one as far as Kansas to K9PA). And in the end I had to ask — via the DX Summit Spotting cluster — for someone to listen for me. So I can’t go full Luddite here. And I wouldn’t want to have to use a rig this simple every day. No way. It is just too hard to use. But there is a beauty and a challenge in simplicity. There is some virtue in using just two transistors instead of 35 billion.
Thanks to N0WVA, W2UW, VU2ESE, HI8P, K4MQG, The G-QRP club and their inspirational journal SPRAT, the RBN and the DX Summit.
Success with my ET-2 –TWO TRANSISTOR RIG
| To K4MQG from N2CQR: |
|
|||



















