Trying to Repair Some Old Gear, He Got Hit with a Dose of LSD!

Oh no, here’s something else for us to worry about when working on old gear. As if the treat of electrocution or radioactive poisoning were not enough, now we have to worry about being hit with a dose of the 1960’s drug culture. That could be one bad trip indeed. Imagine if you were having a hard time troubleshooting the Buchla Model 100. All of a sudden things start getting weird and your test gear starts dancing on the bench.

Fortunately, this is not likely to happen with a rig like the DX-100. With rigs like that the only similar danger is nicotine poisoning.

https://allthatsinteresting.com/engineer-accidentally-takes-lsd?fbclid=IwAR2KzZl3qoL6oqq5SqWYquKpHR2mGxk2GN2Kk0O-ytUb9MNXmVNX9XnyeaU

Thanks to Stephen Walters for finding this groovy story.

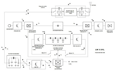
Argentine SSB (BLU) Homebrew from Guillermo LW3DYL

Really nice work. BLU is Spanish for SSB. (Juliano BLU?)

But I think Guillermo needs to build ONE MORE BOARD! A VFO or a VXO. Analog. To finish the job. Guillermo tells me this is in the works — he selected an IF of 11.0592 MHz specifically so that he can use a variable oscillator built around a 4 MHz ceramic resonator.

Complete schematic and PC board patterns on his site:

https://qrplw3dyl.blogspot.com/2021/04/transceptor-blu-para-40-metros.html?fbclid=IwAR0BLMVfVTxMlVy1WyUovVJ0FVrrkMulFxeuu24lkjdkW8j-6QX5g_yV05o

Click on the Bloc Diagram for a Better View:

Homebrew Lives! TWENTY N6QW Simple SSB Transceivers Under Construction in Northern Virginia

IF strip by Don KM4UDX
This has to be one of the most successful of SSB group-build projects. Dean KK4DAS has been leading 20 members of the Vienna Wireless Society in the construction of N6QW’s Simple SSB Transceiver, with Dean’s “Furlough 40” additions. This is very FB, and very encouraging. Dean clearly has The Knack. Just two winters ago I was smuggling a 3.579 MHz crystal to Dean for use in a Michigan Mighty Mite. He has clearly made a lot of progress.
————————-
Dean writes:
It has been just over a year since I completed my initial build of the Furlough 40 with much coaching and assistance from Pete. Mike and Don are two out of 20 members of the Vienna Wireless Society Makers group that is working on a group build the SimpleSSB project as enhanced by me to include features like CAT control for digital modes. Beginning about six weeks ago the group is progressing module by module per SolderSmoke best practice advice. We started with the audio amplifier, followed that with the Arduino/SI-5351 based controller module and the builders are just completing the IF module. This week at our weekly meeting, Mike proudly showed off his success.

————————-

Read all about it, and see some really great videos here:

Leon NT8D’s Front Panel

For Your Vacuum Tubes: Isotopic Ionization Sources from U.S. Radium

One or two podcasts ago I mentioned radium in regulator tubes. As I predicted, this provoked a number of comments about how silly it is to even mention such things. Nonetheless, I find it interesting. It seems that real radios really do glow in the dark!

More info on the company:

RIP Isamu Akasaki — Shared Nobel Prize for LED — Analog Guy

From the obituary in the Washington Post:

In addition to the Nobel Prize, Dr. Akasaki’s honors included a 2009 Kyoto Prize — Japan’s highest honor — recognizing developments in advanced technology. He found that some technology, however, needed no advancing at all. He took great pleasure, for example, in long-playing classical music records.

On that point, he joked, “I am analog.”

“The Perfect Trap for the Engineering Mind” — Leo Fernekes’ Stirling Engine

I did a post about Leo back in August:

Although it is not about radio, homebrewers will find much to resonate with in Leo’s Stirling engine project.

Warning: There is a Part II. And there may be more. Proceed at your own risk.

A Satellite Ground Station (Receiver) Made from Junk

Very cool. This guy (who brew up on an island in Alaska) really knows how to use aluminum tape and the junk that fills most workshops. I like his use of the security camera mount as an az-el antenna rotator.

I foolishly discarded a Direct TV dish. I could have been receiving GOES images by now!

Just last week I got the same RTL-SDR.com V3 dongle that he is using. Very FB. It does HF direct sampling with no hardware mods and no upconverter.

More from the builder, Gabe Emerson (KL1FI):


A VERY Successful April Fools’ Day

I was worried. It was early on the morning of April 1, 2021, and I had NOTHING. Maybe this was because so much unbelievable stuff has recently happened in the world. Or maybe it is because technology has been moving so fast that today’s April Fools’ joke is tomorrow’s new device. Whatever the reason, for the first time in about 15 years, I had noting. April Fools’ Day has long been part of ham radio’s culture and I was worried that I would not be making a contribution this year.

Then something caught my eye. Did you know that on Thursday they decided to change the rules of chess! Yes indeed! NO MORE DRAWS! Fantastic! This provided the inspiration for our announcement of the brutal FCC rule-making action regarding the banning of “legacy equipment.”

I knew that that headline would attract a lot of attention. And let me inform you that, according to the official rules of April Fools’ Day, if that headline did pull you in, well that constitutes a “gotcha.” So far 1,758 people are in this category. I thank you all.

The comments attached to the announcement were really heart warming, even those that included profanity directed at my persona. People recalled earlier April 1 events, like the time Pete was defenestrated from the QRP Hall of Fame. Good times, my friends, good times!

This was an especially happy April 1 for me, because I also launched two other highly successful operations:

— I teach a Zoom class. On Thursday morning I told the students about new concerns regarding the light hitting their eyes from the computer screens. We were all being issued dark glasses and would henceforth have to Zoom with shades on (see above). The students — bless their hearts — all agreed to do this.

— We are closely associated with a small company that has the word “native” in the corporate name. As in “Native Vegetation.” Shockingly, last Thursday we got an e-mail from the Virginia Small Business Commission DEMANDING that we change the name of the company. It seems that ANY use of the word “native” was now deemed unacceptable. The people in this company (ALL OF THEM!) were really outraged by this. I had to pull the plug before any legal actions were initiated!

So, to all of you, Happy April Fools’ Day!

FCC to Ban “Legacy” Equipment and Circuitry

From the FCC Newsline:

Out with the old

In a long-expected policy move, the Federal Communications Commission today announced that starting on April 2, 2022, all equipment in use by the amateur radio service must comply with strict emission purity standards. The Commission’s rule-making focuses on the bandwidth of high frequency transceivers. Starting one year from tomorrow, amateur equipment will be limited to a bandwidth of 3500 cycles per second. Emissions outside the bandwidth limits must be at least 100 db below the average power in the bandpass. In effect, this means that amateur equipment must make use of the kind of “brick wall” filtering only available from software defined equipment. Bringing the service into conformity with commercial practices, all high frequency equipment will be on Upper Sideband.

“No more skirts”

An FCC official — who requested anonymity because of “threats” — told Newsline that part of the motivation behind today’s announcement was a desire to end the unseemly discussion of the filter “skirts” of “legacy” ham radio gear: “Obviously there were concerns about the pejorative way many hams were referring to ‘the skirts.’ This is the 21st century! It was time to be more inclusive!”

Audio Tinkering to Continue

The FCC official told Newsline that the Commission is not in any way attempting to discourage hams from tinkering with the “audio quality” of their commercial SDR equipment: “As long as they keep the bandwidth to 3500 Hz, they can tinker and adjust to their hearts’ content,” said the official. He went on to use some of the colorful language recently heard on the ham bands: “If they want to include very low audio frequencies — what some call ‘the thunder down under’ they can do that. Or if they want to emphasize the high frequencies — for that “Krispy Kreme” sound — they can do that too. All they have to do is learn how to set the menus on their equipment. We understand that the manufacturers will soon be making available software packages that will — with just a simple download — set the menus according to the desires of the consumer. Uh, I mean of the radio amateur.”

The FCC official said he thinks the ruling will actually encourage and facilitate audio tweaking. “We know this is important to modern hams. It makes them feel connected to the days when hams actually built their own equipment. We have noticed the development of an amazingly rich technical vocabulary, terms like ‘presence’ “muddy’ ‘bright’ and ‘punchy’ are now in common use. Clearly the Commission would not want to stand in the way of this kind of technical advancement!”

Sinking the Boatanchors

The FCC acknowledged that this ruling spells the end for on-the-air use of older ham equipment. “Clearly none of that old junk will meet the new requirements. I mean these guys were literally using hunks of rock to filter their sidebands. It was practically medieval! Time to wake up, smell the decaffeinated coffee, and get with the SDR program OM!”

Fears of violent push-back

The FCC official did acknowledge that there are fears of possible violent push-back from certain “sub-cultures” in the ham radio world. “Working closely with our partners in Homeland Security, we have looked closely at the possibility of violent pushback. Of particular concern are groups that appear to be fiercely loyal to what they sometimes defiantly refer to as ‘Hardware Defined Radio.’ There are some truly frightening groups out there. One group is called the CBLA — The Color Burst Liberation Army. They seem especially fond of quartz crystals and are radically opposed to the new SDR requirements. Also of concern are groups that continue to insist on using Double Sideband Unsuppressed Phone generated by equipment using vacuum tube. Vacuum tubes! They call them ‘thermatrons.’ Again this is really medieval.” The spokesman said that the FBI is monitoring these groups, but is not very concerned because of the physical condition of many of the fanatics. “Most of these guys rarely leave their homes. In fact, for the last year many of them seem to have been repeating a strange “Stay in the Shack” mantra. Many still smoke, never exercise, and now refuse to take the vaccine. So we are not too worried, ” said the FBI spokesman.

Support from Industry and the Major Ham Organization

FCC officials tell Newsline that the major equipment manufacturers — along with the principal ham radio organization — were very supportive of this move, seeing it as a major opportunity to “stimulate” both sales and advertising revenue.