I picked this generator at the Kempton Park rally in London many years ago. I use it quite a bit, not only for circuit testing but also as an easy way to get my homebrew BITX rigs to send a signal so that I can adjust my antenna. I just plug this thing into the mic jack, crank in a small amount of 1 kHz audio, and I am ready to minimize SWR.
Month: January 2021
Hyderabad Field Day
Hams in Hyderabad, India held a Field Day this week. That looks like a uBITX next to that HT. FB!
More info here:
SolderSmoke Podcast #228
Of course, no travel. But vaccines are here so maybe soon we can leave our shacks.
In the meantime:
I’ve been playing chess against AI bots on chess.com.
Netflix recommendation: The Bureau. From France. A review from NPR:
A reading from “Conquering the Electron.” Germanium vs. Silicon.
Bill’s Bench:
The KLH Model Twenty-one II. Acoustical Suspension. First receiver WITH A PILLOW! Bad speaker? Blown AF amp finals. Hot heat sink. VBE Multiplier. Desitin.
Tony Fishpool’s recommended LM386 boards. 10 for 11 bucks. Nice. They work. Pictured in the Amazon ad at the upper right of the SolderSmoke blog page.
Putting a digital display on the Lafayette HA-600A
Test gear trouble. My Radio Shack multimeter getting flaky. I many need something better. Auto ranging? My beloved Maplin AF generator died – will have to fix. I need that thing. Probably a bad chip. Good thing they are socketed.
I almost forgot about SKN! But I remembered and I made one contact with the HT-37 and Drake 2-B.
Pete’s Bench:
Presentation to RSGB on Homebrew.
TenTek Troubleshoot.
Swan 240? Looking nice.
SDR adventures.
MAILBAG
Bill N8ET sent me some really nice Showa 9 MHz 8 pole crystal filters.
Kevin AA7YQ Smoke jumper! Building a hybrid SDR.HDR rig. Launched blog. FB
Nick M0NTV working on similar HDR/SDR project. Great video.
Grayson KJ7UM Hollow State Design – Launched a new blog. Very FB!
Thomas K4SWL of SWL Post blog. Kearsarge Mountain Transmission system. And recent events.
Peter VK2EMU Poetry. CW poetry.
Pete WB9FLW looking at DSB rigs…
Drew N7DA Feels not like a real ham because he hasn’t built a quad from bamboo. Which type of landscape bamboo is best for antennas?
Ryan Flowers of MiscDotGeek.Com blog is also watching the Tally Ho YouTube videos of Leo Sampson. Wants to put a WSPR beacon on the Tally Ho.
Joe KF5OWY Working with diode ring mixers, trying to see the mixer action on his ‘scope. 1 and -1!
Jim AB9CN sent a cool idea about how to do a 20/17 Moxon.
Roy GM4VKI – I thanked him for his article in SPRAT about putting a 2n3904 on the output of an NE602 10P mod. Brilliant.
Roger Hayward Told him that I really liked his Dad’s recent web site updates.
Farhan – Jokingly cursed me for showing him the Oscillodyne regen of Hugo Gernsback and Jean Shepherd. “Now I will have to build this!”
SolderSmoke Podcast #228
Of course, no travel. But vaccines are here so maybe soon we can leave our shacks.
In the meantime:
I’ve been playing chess against AI bots on chess.com.
Netflix recommendation: The Bureau. From France. A review from NPR:
A reading from “Conquering the Electron.” Germanium vs. Silicon.
Bill’s Bench:
The KLH Model Twenty-one II. Acoustical Suspension. First receiver WITH A PILLOW! Bad speaker? Blown AF amp finals. Hot heat sink. VBE Multiplier. Desitin.
Tony Fishpool’s recommended LM386 boards. 10 for 11 bucks. Nice. They work. Pictured in the Amazon ad at the upper right of the SolderSmoke blog page.
Putting a digital display on the Lafayette HA-600A
Test gear trouble. My Radio Shack multimeter getting flaky. I many need something better. Auto ranging? My beloved Maplin AF generator died – will have to fix. I need that thing. Probably a bad chip. Good thing they are socketed.
I almost forgot about SKN! But I remembered and I made one contact with the HT-37 and Drake 2-B.
Pete’s Bench:
Presentation to RSGB on Homebrew.
TenTek Troubleshoot.
Swan 240? Looking nice.
SDR adventures.
MAILBAG
Bill N8ET sent me some really nice Showa 9 MHz 8 pole crystal filters.
Kevin AA7YQ Smoke jumper! Building a hybrid SDR.HDR rig. Launched blog. FB
Nick M0NTV working on similar HDR/SDR project. Great video.
Grayson KJ7UM Hollow State Design – Launched a new blog. Very FB!
Thomas K4SWL of SWL Post blog. Kearsarge Mountain Transmission system. And recent events.
Peter VK2EMU Poetry. CW poetry.
Pete WB9FLW looking at DSB rigs…
Drew N7DA Feels not like a real ham because he hasn’t built a quad from bamboo. Which type of landscape bamboo is best for antennas?
Ryan Flowers of MiscDotGeek.Com blog is also watching the Tally Ho YouTube videos of Leo Sampson. Wants to put a WSPR beacon on the Tally Ho.
Joe KF5OWY Working with diode ring mixers, trying to see the mixer action on his ‘scope. 1 and -1!
Jim AB9CN sent a cool idea about how to do a 20/17 Moxon.
Roy GM4VKI – I thanked him for his article in SPRAT about putting a 2n3904 on the output of an NE602 10P mod. Brilliant.
Roger Hayward Told him that I really liked his Dad’s recent web site updates.
Farhan – Jokingly cursed me for showing him the Oscillodyne regen of Hugo Gernsback and Jean Shepherd. “Now I will have to build this!”
VBE Multiplier Makes KLH Receiver “Cool Running”
Yesterday I turned to the SolderSmoke wizards for advice on how to fix my KLH Model Twenty-one II FM receiver. I had finally gotten the thing working — it wasn’t the speaker, it was the AF amp, probably one of the final transistors was blown. I replaced the finals and the driver. For the finals I used a TIP29C and a TIP30C. For the driver a 2N3906. With this fix the receiver was sounding good, but the heat sink on the AF amplifiers was way too hot.
If you look at the comments in yesterday’s post, you will see some great suggestions on how to fix this problem. The comments and Google led me to Alan W2AEW’s YouTube channel and his video on a circuit called the VBE multiplier. Voltage Base-Emitter multiplier. I’d never used this circuit before. It allows you to adjust the bias on the bases of the two transistors in a push-pull amplifier.
This morning I built the circuit on a small piece of PC board. There were just two components: a 10k trimmer pot and a 2N3904 transistor.
With the little board installed, I adjusted the pot for a 1.2 volt difference between the bases of Q6 and Q7. I ended up with base voltage values almost identical to those called for in the KLH schematic.
The receiver sounds very nice now, and is no longer on the verge of bursting into flames. I even made up my own version of the pillow that KLH claimed was necessary for proper acoustic suspension.
Sometimes it is nice to be able to listen to something other than the chatter on the ham bands. And it is fun to do so with a receiver that you have worked on.
I even used some Desitin as a substitute for heat sink compound.
Thanks to Rogier for the receiver, to ZL2DEX, K0EET, W2AEW and David McNeill for the good advice. And to Dale K9NN who sent me a box of parts from which emerged the 10k pot I used in this project. Thanks guys. 73
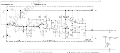
KLH Model Twenty-One II AF Amplifiers Too Hot. Why?
I’ve been working on this nice old FM receiver that Rogier PA1ZZ sent me. When I first tried it, it sounded terrible. I thought it might have been the speaker, but the speaker is fine. There was clearly something wrong in the AF amplifier. Schematic above. Click on it for a better view.
I ended up replacing the complementary pair of output transistors (Q6 and Q7) . The original had house brand designations — I wasn’t sure what to replace them with, so I just used a TIP29C and a TIP30C. With these transistors in there, the receiver sounds good. But the heat sink on the transistors is getting way too hot. I think the AF amplifier is now pulling about 1.4 amps, which is too much.
Another thing I did: I thought Q4 and Q5 might have been bad, so I replaced them with a 2n3904 and a 2n3906.
Why do you guys think the heat sink is getting so hot? What should I do? The supply on this receiver is 25V DC.
Jenny List’s Favo(u)rite Things
Over on Hack-A-Day Jenny List (G7CKF) has a really nice article about ham radio and homebrewing. She truly has The Knack: She got her start in radio electronics at age 9 when her parents gave her George Dobbs’s Ladybird book.
https://hackaday.com/2021/01/21/a-few-of-my-favorite-things-amateur-radio/
One of her paragraphs really seemed to capture the SDR-HDR conflict that we so often joke about:
The age of the homebrew RF tinkerer may be at a close, at least in the manner in which I started it. Nobody at the cutting edge of radio is likely to be messing around with discrete transistor circuits in the 2020s, unless perhaps they are working with extremely exotic devices up in the millimetre wavelengths. It’s all software-defined radios, opaque black plastic boxes that deliver a useful radio experience on a computer but that’s it. No more homebrew, no more tinkering.
Whew, good thing I’m not on the cutting edge. It sounds kind of sad. Oh well, that leaves more discrete transistors for us to tinker with.
Jenny’s Profile on Hack-A-Day:
[Jenny List]: Contributing Editor and European Correspondent
Jenny List trained as an electronic engineer but spent twenty years in the publishing industry working on everything from computer games to
dictionaries before breaking out and returning to her roots.
She grew up around her parents’ small farm and blacksmith business in rural England, so making (and breaking) things is in her blood. Countless projects have crossed her bench over the years, though these days you’ll find her working with electronics and in particular radio, textiles for clothing and costume, decrepit classic cars, and real cider from first principles.
When she’s not writing for Hackaday she works on language corpus analysis software, designs and sells amateur radio kits, sits on the board of Oxford Hackspace, and is a freelance electronic design engineer and programmer.
- Hackaday Articles
- Hackaday Profile: Jenny List
- Twitter: @Jenny_Alto
- Personal Website: Language Spy
Another Poem about Radio: Radar Man
Guilt Trip: Video on the Heath QF-1 Q Multiplier
“The Transistor” 1953 Video from The Bell System
Kevin AA7YQ (Montana Smoke Jumper) Launches his SDR/HDR Build Blog
Earlier this month I posted a note from Kevin AA7YQ describing his effort to design and build a nice transceiver that mixes the best of SDR and HDR. Kevin has launched a blog in which he will describe the project in more detail. He is looking for constructive feedback and suggestions. Check it out:
Thanks Kevin.
STOP. LISTEN. Shep on Building a Shortwave Receiver
Nick M0NTV’s Really Useful SDR Transceiver (video)
A Poem about Shacks and Rigs and Ham Radio
A Wizard Near Blackpool: M6AGC’s Wonderful Homebrew Rigs
Alan’s YouTube Channel: https://www.youtube.com/channel/UCISxWaAc5xW6oFElxGN4xWg
One of Alan’s recent projects (spotted on Facebook):
Pete N6QW and Steve G0FUW Talk to RSGB About Homebrew (Video)
KLH Model Twenty-One II — Is My Speaker Dried Out?
A few years back Rogier PA1ZZ very kindly sent me a box of electronics parts. Included was an FM table-top radio with a nice walnut case. Thanks Rogier!
I hadn’t looked at the receiver in years, but this week I dusted it off and looked it up on the internet. Turns out that it is kind of famous. It was produced by the KLH company. The K stood for Henry Kloss, one of the giants of Hi-Fi audio gear. Henry appears in the picture below.
I got the receiver working, but it sounds awful. It sounds much better with an external speaker, which is disappointing because the internal speaker was the main attraction of this receiver. It even has a little badge on the front panel trumpeting(!) its “Acoustic Suspension Loudspeaker.”
I’m wondering if the problem is in fact the speaker. The cone looks intact, but it seems very dried out. It has been more than 50 years… What do you guys think? Picture above. Any other suggestions on what to do with this thing, or how to make it sound better?
Some KLH history:
https://antiqueradio.org/KLHModelTwentyOne21FMRadio.htm
The Dream of a Shortwave Fiend
A Parachute that Flies Home Autonomously
Too often ham radio bloggers and podcasters tend to focus their efforts on the projects of, well, older guys like us. I think it is a good idea to direct attention toward young innovators, the next generations of people who are working on interesting new projects using new technology.
Yohan Hadji is definitely one of these young innovators. He is 16 years-old and is working to develop a system that would guide the parachutes of descending balloon payloads to designated safe landing areas. Having spent a lot of time chasing the parachutes of Estes rockets, and after having to PERSONALLY guide my own parachute to a safe landing area (sometimes without success), Yohan’s project caught my attention.
The videos above describe the project.
A Hack-A-Day article provides good background:
https://hackaday.com/2021/01/07/gps-guided-parachutes-for-high-altitude-balloons/#more-454705
And finally, if you want to support Yohan’s work, he has a GoFundMe site:
The Amazing Rigs of WA3TFS
There are a lot of great ideas and circuits on WA3TFS’s page. He spans the SDR-HDR divide. He makes great use of simple SDR dongles. Check out his QRZ page and the web site that describes his projects in more detail:






