Month: June 2019
Fast Radio Burst — Source Identified
Antuino’s Cubesat Origins, and How it Works (with video)
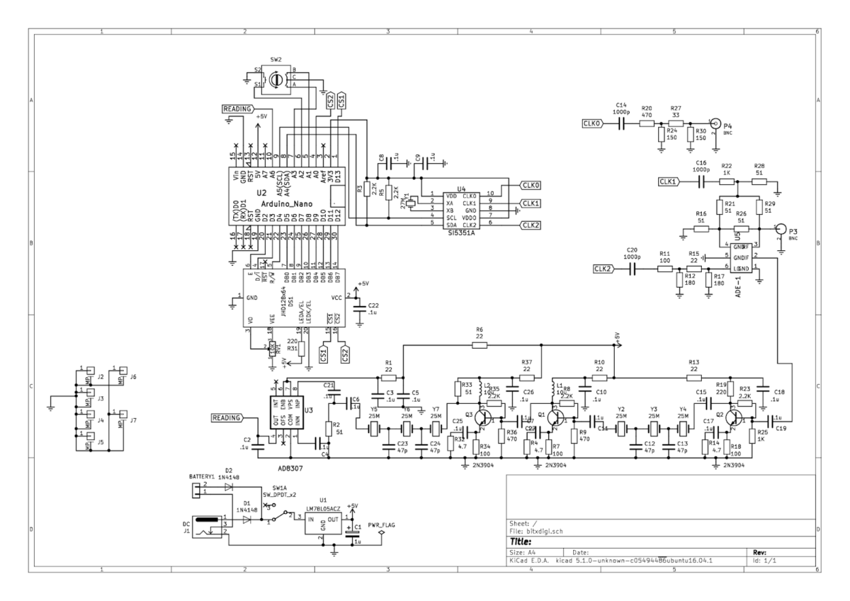
In a series of e-mails to the BITX20.io group, Ashhar Farhan VU2ESE provided background information on the origins of his new “RF Lab in a Box’ — the Antuino. He also explained how the device performs the SWR meter, Power Meter and Scalar Network Analyzer functions.
Farhan’s Antuino Page: http://www.hfsignals.com/index.php/antuino/
Dec 27, 2018 to BITX.io
peeps,
Mike KL7R’s Web site on Way Back Machine
Thanks to Karl K5KHK for digging this up. Excellent. Three cheers for the WayBack Machine.
And thanks again to Walt K3ASW for voicing concern about the disappearance of Mike’s site. Good to know that all is not lost.
https://web.archive.org/web/20131126190933/http://kl7r.ham-radio.ch/
Pete N6QW’s RADIG SDR On The Air!
SolderSmoke Podcast #212 HDR, Boatanchors, SDR, Antuinos, Spurs, QSX, Mailbag
![]() |
| Dale Parfitt W4OP’s SBE-33 with modern digi freq counter |
SolderSmoke Podcast #212 is available:
http://soldersmoke.com/soldersmoke212.mp3
22 June 2019
CONGRATULATIONS TO PETE: Licensed 60 years today
![]() |
| Pete Juliano during Field Day, 1959 |
Sideband Engineers Models 33 and 34 — Thanks Pete!
Hans’s QSX SDR Rig at Dayton-Xenia and FDIM
W8SX FDIM interviews
Pete’s SDR Projects — Update
The Peregrino SSB transceiver in the summer SPRAT
Why no rare earth cell phone speakers in ham projects?
My HDR “waterfall” project
Farhan’s Antuino
Cubesat origins
RF Lab in an box
SWR, PWR, SNA
Superhet receiver with ADE-1 at front, and log IC at the output
Adapters (SMA to BNC) help
DON’T BLOW UP THE INPUT RESISTORS (LIKE I DID!)
My dirty DIGITIA — Denial, then acceptance
FFT
Useful programs: SPURTUNE and ELSIE
A better bandpass filter for the DIGITIA
The importance of a good test set up with Antuino
Manassas Hamfest: WA1UQO, W4WIN, AI4OT
MAILBAG:
KG7SSB
WA3EIB
VK4PG
W3BBO
Jeff Tucker — Who owns Drake 2-B #4215?
KN4BXI
KC5RT
K3ASW
Wall Warts
Face the TRUTH! LOOK at Your Signal with an Antuino!
At first, I didn’t want to believe it. I was in denial. I wanted to shoot the messenger (in this case, the Antuino). How could my beloved HB 40 meter DIGITIA transciever have an output that was so…. so DIRTY! Everyone tells me it sounds great. But the little Antuino screen told a different story. Strong spurs up at 9 MHz and down at around 5.4. And lots of places in between. (In these display images, the center frequency is 7.2 MHz and each division to the left or right is 1 MHz.)
Farhan tried to get me to face the truth: “The frequency domain viewing of RF Signals is the opening of the third eye. Once you start seeing signals as a bunch of simultaneous sines, you will always be wary of the waveforms on the scope. In fact, time domain readings make little sense.”
At first I blamed strong VHF RFI and my somewhat hay-wire test set up. My homebrew Rube Goldberg 20 db attenuator was probably picking up some of the VHF RF. But as I looked more closely at the output of the transceiver in the frequency domain, I gradually accepted that it was true. There were a lot of spurs. I have a general coverage receiver in the shack, and with it I could hear the little devils. And after some adjustment I could see them in the FFT display on my Rigol o’scope. An exorcism was definitely needed.
But first came a tightening up of the test setup. Pete advised me to do this. I had in the shack some really nice dummy load/attenuators from the HP8640B Signal Generator that Steve Silverman had given me (and that Dave Bamford had hauled across New York City for me). I ordered the necessary N connectors and adapters and soon my test setup improved a lot.
All this got me thinking about spurs. I consulted EMRFD and was reminded of a really great program in the LADPAC software pack that came with the book. The SPURTUNE program predicts spurs and tells you what to look out for. It is really illuminating. Try SPURTUNE.
Through this, I gained a better appreciation of the importance of the bandpass filter in an SSB transceiver. I’d always thought of it as something that allowed the other mixing product to be eliminated while passing the one you want. But I came to realize that it does a lot more than that — it also helps get rid of spurs. If it is designed right. Mine was not. I had plucked it out of an old QST article and had not paid much attention to it. All it needed to do was knock down the unwanted mixing product, right? And in my transceiver (9 MHz IF, VFO running 16.0 – 16.3) MHz that unwanted product would be way up at 25 MHz. It wouldn’t take a lot of selectivity to knock that down. But I’d forgotten about the closer-in spurs. Antuino reminded me of them. And SPURTUNE explained where they came from.
For the exorcism, I decided to use the bandpass filter design from Farhan’s BITX-40 Module. I had made the BP filter on this rig “plug-in” so it was easy to build a new filter.
I even checked out the filter design in a simulator. For this I use ELSIE. Another very useful program. Here is what ELSIE predicted for Farhan’s BITX40 Module filter:
First Use of Farhan’s Antuino Scalar Network Analyzer
Ham Radio in Germany 1955 (video)
Don’t be deterred by the lack of English subtitles — radio amateurs around the world will be able to follow what is going on in this very interesting 1955 film. It is only about 14 minutes long.
This video takes us back to a time when hams were hams and rigs were RIGS!
Note the German OM who apparently slept fully dressed (with necktie) in order to be ready to spring into action on the ham bands in the middle of the night. That’s dedication my friends.
Also note the fellow sending out QSL cards that feature the schematic diagram of his rig. Lots of solder melted in 1955. Great stuff.
Thank God for the Heaviside Schicht!
FDIM Interview with Farhan VU2ESE
I didn’t realize that our correspondent in Dayton/Xenia had interviewed Farhan. There was a typo in the audio file name and I was wondering who this UV2ESE guy was. A Ukrainian QRPer? I was really pleased to find out that it was Farhan.
In Bob’s interview you will hear Farhan discuss the capabilities of his new Antuino (pictured above). Pete’s Antuino is in the mail, going transcontinental. It should arrive in the Newbury Park Laboratory later this week.
As for the spectrum analyzer that Farhan got me last year, I am waiting for retirement (soon!) to get that one going. But there is a danger that the Antuino will leave little room for the older tech…
In the interview you will hear Farhan talk about the Antuino circuitry, and about the roots of the three main devices in the Antuino box. Very cool.
Thanks again Farhan. And thanks Bob.
Here is the interview:
http://soldersmoke.com/VU2ESE FDIM 2019.m4a
Farhan’s Antuino page:
http://www.hfsignals.com/index.php/antuino/
FDIM Interview — NM0S on John Reinartz W1QP K6BJ — Scandal on an Arctic Expedition?
Bob Crane W8SX interviewed Dave Cripe NM0S about his FDIM presenation on radio pioneer John Reinartz 1QP and later K6BJ. Listen to the interview here:
http://soldersmoke.com/NM0S FDIM 2019.m4a
Here is Reinartz’s obit in the New York Times:
https://www.nytimes.com/1964/10/07/john-l-reinartz-pioneer-in-radio.html
Here is some background info on Reinartz:
http://k6bj.org/Club_History/WhoWasK6BJ.htm
Dave Cripe’s interview left me wondering what the north pole scandal was all about. I found this passage from a book that seems to partially explain what happened. Can anyone else shed more light on this unfortunate event?
Antuino: Farhan’s Compact RF Lab In-a-Box
I now have Farhan’s latest invention, the Antuino. Pete will have his shortly. Very cool. SWR meter and antenna analyzer, power meter and scalar network analyzer all in one box. I put an old-school knob on the rotary encoder — it seemed like the right thing to do. Soon I will be able to find out if my rigs have spurs or are somehow non-compliant. I’m sure Farhan’s “RF Lab in a box” will be an important addition to my test gear arsenal. We will be talking about this in upcoming podcast episodes.
Mike N2HTT did a nice write up of the new device:
https://n2htt.radio/2019/05/26/hello-antuino/
And here is the info from the htsigs.com page:
http://www.hfsignals.com/index.php/antuino/
Thanks Farhan!










