
I got into my car to drive home yesterday. As soon as I turned the radio on, I heard this. TRGHS. FB OM. Listen. 4 minutes.
http://www.npr.org/2017/09/29/554600989/amateur-radio-operators-stepped-in-to-help-communications-with-puerto-rico
SolderSmoke Daily News — Ham Radio Blog
Serving the worldwide community of radio-electronic homebrewers. Providing blog support to the SolderSmoke podcast: http://soldersmoke.com

I got into my car to drive home yesterday. As soon as I turned the radio on, I heard this. TRGHS. FB OM. Listen. 4 minutes.
http://www.npr.org/2017/09/29/554600989/amateur-radio-operators-stepped-in-to-help-communications-with-puerto-rico
![]() |
|
Sunset at Luce Bay Scotland, 3cm GM3DXJ, GM3OXX and GM8HEY dishes being set up. Photo GM8HEY (GM4JJJ). 322 km QSO to Wales. 10mW GUNNS WBFM.
|
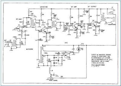
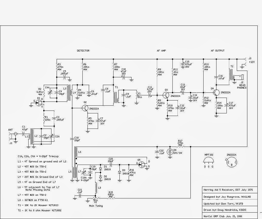
Yea, take a look at C14 in the AF amp. At 1000 Hz 10uF is about 16 ohms. That would put a serious dent in the AF gain. And indeed, when I went back to my Herring Aid 5 (38 years from start to finish) and pulled C14 out, there was a dramatic increase in AF gain.
Mistakes happen, but I wonder if anyone else spotted and reported this one. Could someone with access to the QST archives check to see if an Erratum was ever published? The project also appears in the 1977 ARRL book “Understanding Amateur Radio” with the problematic C14. My guess is that it was just an error in the value of the cap.
I had a a good session with the BITX gang on 7277 kHz starting at 7pm local last night. Keith N6ORS was on with his MIN-X rig (picture above). Michael KN4EAR’s signal is much improved (Michael had worked Barcelona with his BITX40 Module earlier in the day). Randy WB5YYM’s rig (featured last week on this blog) was booming in from Arkanas.
LOG: WI1B Ken on BITX, AA4PG Pat, KN4EAR Mike in Falls Church, N6ORS Keith on MIN-X, W1LY Willy, WB5YYM Randy in Arkansas
The world of the SolderSmoke podcast and blog are — and will remain — G rated. But occassionally our discussion of ham radio technology causes us to bump up against some racy topics. This happens VERY rarely, and that rarity probably says something about ham radio. We have noted the alleged attractive power of Pete Juliano’s French beret. There was that April 1 story about the new SolderSmoke cologne (“chicks dig it!”). Jean Shepherd was a man of the world — our discussions of him sometimes bring us a bit closer to the prurient boundary line. We occassionally mention the lifestyle of the Dos Equis man. But mostly, we stick to the circuitry.
This morning I came across a character that I hadn’t been aware of: Private (later Corporal) Hogarth. He was the theme of a series of ads run by the Hallicrafters Company during World War II. They were trying to sell their EC-1 broadcast receiver (essentially an All American Five). Their advertising theme was, essentially, “chicks dig it.”
Don’t blame me. I blame Hallicrafters.
I want to start out by saying that this is NOT my fault. I have been TRYING to do QRP things. Remember my recent Tuna Tin 2, Herring Aid 5 rig? I am aware of the ever-present threat of expulsion from the QRP HoF. We all remember what happened to poor Pete back on April 1, 2017.
But sometimes people just deliberately put temptation in your path. That is what happened this week. Our old friend Rogier KJ6ETL (formerly known as PA1ZZ) sent me the very LARGE chunk of aluminum that you see in the picture above. Look at that thing. It is practically begging to be turned into a very QRO push-pull amplifier.
At first I told myself that it would be impossible to tap the big heat sinks on the sides. How would I get the drill in there? But then I realized that I can just put the threads in from the outside. I can almost smell the machine oil. And the heat sink compound…
Thanks lot Rogier. This is all your fault.
I worked AD0RW, AC9PD, VE3ZBM and WB5YYM on 7277 kHz around 2345 Z Sunday 10 Sept 2017. BITX ops gather on that frequency on Sunday nights at around 7 pm local time.
The station above is the impressive all HB 40 meter station of WB5YYM. That’s a 49er on the left, and a BITX40 on the right. The amp in the middle has 2 IRF510s. HB mic too. FB
Hans Summers’ QRP Labs has an amazing new rig — The QCX — that is chock-full of features and FB technology. Hans has long been one of the most innovative guys in ham radio, and this latest rig is one of his most amazing creations. Like Farhan’s BITX40 Module, this new rig is priced in the 50 dollar range. Hams who are paying many thousands of dollars for their “radios” should be asking themselves a question: Could I be having much more fun for far less money? This rig is in big demand and there is already a waiting list, so place your order now if you want to work on this during the winter. Here is the link:
http://qrp-labs.com/qcx.html
OK QRPers, it is time to explore another power source. Enough of the nails in lemons and all that mess. It is time to go NUCLEAR! Check out the motor in the video above, then look at the video below for more info on how the nuclear battery was made. Who will be the first to QSO with homebrew nuclear power? Or has it happened already?
Mike Rainey — this seems like the perfect project for you OM.
Oh and by the way, in the course of reading up on this, I learned that we once used PLUTONIUM to power pacemakers. Check it out:
https://www.mdtmag.com/blog/2016/01/medtech-memoirs-plutonium-powered-pacemaker
And no, today is not April 1.
SolderSmoke Podcast #199 is available.
http://soldersmoke.com/soldersmoke199.mp3
2 September 2017
The Eclipse. The Floods.
Sawdust Regen gets John Henry off to a good start.
Voltage regulators as audio amplifiers
The return of the Simple-ceiver (Direct Conversion)
Ceramic Resonators
3D OLEDS
iPhone Boxes as rig enclosures
Electric Radio on Frank Jones
17 Meter Contacts
MAILBAG