Steve VE7SL recently discussed Heathkit’s wise use of the color green in the VF-1 and DX-100 frequency readouts. The power of green is visible in the above photo of the N2CQR AM station. (I used this gear to check into the Old Military Radio Net and the Lonely Guys’ Net on 75 meters on Saturday). Note the VF-1 on the shelf in the upper left, and the awesome green oscilloscope trace. Juliano Blue is all well and good, but let’s not deny THE POWER OF GREEN.
Steve’s discussion (and cool Knack story):
http://ve7sl.blogspot.com/2017/01/the-green-glow.html
Month: February 2017
CONFIRMED: Andy G6LBQ Has The Knack (and OTD)
The early fascination with small light bulbs, switches, and batteries confirms the diagnosis. The Ladybird group seems to have led many a young British person down the path to OTD (see the web site for more info on this malady).
https://g6lbq.blogspot.com/
Andy writes:
G0ETP’s Amazingly Beautiful SDR Rig
This is almost too much for an HDR guy to take. Really impressive.
Check out his QRZ.com page:
https://qrz.com/db/G0ETP/?mlab=
G0ETP’s Amazingly Beautiful SDR Rig
This is almost too much for an HDR guy to take. Really impressive.
Check out his QRZ.com page:
https://qrz.com/db/G0ETP/?mlab=
More DSB, from Belgium and Spain
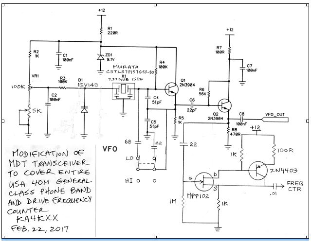
Walter KA4KXX’s “Al Fresco” Oz DSB rig with VFO Mod
A while back we ran a post about the MDT 40 DSB rig out of Australia. Walter KA4KXX liked the design so much that he built his own version and, with it, made his first homebrew phone contacts. I always say that DSB is a great way to break into the world of microphones. Walter is obviously on the right path — not only did he come up with a nice Al Fresco DSB rig, but he modified the VFO to get additional coverage and to incorporate a frequency counter. FB Walter!
Walter KA4KXX writes:
Since I earned my Ham Radio license in about 1979, I have always operated only on CW since I like to build all my own equipment, but recently at the SolderSmoke website I discovered the MDT 40 Meter DSB Transceiver, and decided this was the design I had always been looking for to finally build and operate on phone.
After I made my first phone contact after only 5 minutes of trying, just a few weeks ago, I was so excited I sent an email thanking designer Leon of ozqrp.com.
Then I modified the VFO further to cover the entire 40 meter USA General Class License phone band, which is 7.175 – 7.300, in two overlapping steps. I also added a 5K fine frequency adjustment, used a more friendly 1SV149 Varactor diode which I purchased on EBay at very low cost, and also added a high impedance buffer (found at the website listed below) to the VFO to drive a frequency counter.
http://www.arising.com.au/people/Holland/Ralph/buffer/highimpedanceprobe.htm
I was able to implement these modifications very easily since I always make my own un-crowded state-by-stage Manhattan style circuit boards and build first on a breadboard.
So far I am very pleased with the results.
HB2HB: Contact on 40 meters with W0PWE
VU2XE’s BITX40 (with a cool CAD box)
A year or so ago Pete and I encouraged Kiran VU2XE to try the BITX. He followed through, on our suggestion and went a step further, using CAD to design a box for the BITX. I will try to post a link to Kiran’s CAD files on the BITXHACKS blog.
Kiran writes:
Hi Bill and Pete,
Peter Parker VK3YE on Vintage Gear (in his new book!)
Homebrew Hero Peter Parker has a new book on the market. I was really taken by his description of the joys of restoring older gear. Peter really nails it. Here is an excerpt:
The collection, restoration and use of historical equipment is another movement in amateur radio. The musty smell of warming dust, the heavy clunk of rotary switches and the velvet smoothness of precision tuning drives are joys of every use.
Such sensuality is absent from modern plastic-fronted, wobbly-knobbed transceivers. Old rig cabinets felt they had something in them. A kick would hurt you more than them. And etched panel markings confirmed they were built to last.
Unlike today’s dainty push buttons with stunted travel and disembodied beep, toggle switches showed you where they stood. Weight, life and play made adjusting controls for nulls and peaks (as often required) both a pleasure and occasional frustration. Even if only as mechanical backlash on a bad tuning dial, it was as if the equipment was telling you something, like a ridden horse does through its reins. Not like newer gear’s lack of tactility which is like a ‘dead fish’ handshake, all take and no give.
There are psychic as well as physical joys. The thrill of bringing neglected or dead equipment to life drives many. It’s an underestimated skill. You start with nothing and almost anything done represents progress when building from scratch. Whereas with a repair it is very easy to render something that’s 80% good completely useless with a careless drop or slip.
More about ‘Getting back into Amateur Radio’ is at
http://home.alphalink.com.au/~
& the video at https://www.youtube.com/watch?
Back from the Raspberry Pi SDR Brink
Earlier this week I shocked Pete Juliano by telling him that I was taking a break from my normal analog, discrete component, no-chips mode of construction so that I could put together a Raspberry Pi-based SDR receiver. Even from 3000 miles away, his astonishment was clearly perceptible. He seemed briefly disoriented by it. I’m sure some of you may have a similar reaction.
I’d been lured in by that video of the Raspberry Pi RTL-SDR receiver with the very cool touch screen display. It has a waterfall! And a touch screen! How could I resist?
I went to Amazon, but there I discovered that that attractive display is not exactly cheap. And maybe I’d need a new Raspberry Pi. At this point, in search of economy and convenience, I began rummaging through my digital junk box. There I found a Rasp Pi Model B. And an old computer monitor. This will be easy, I thought. Just get some SDR code into that Pi, hook up the RTL-SDR dongle and Bob’s my uncle, right?
Not so fast. I quickly began to run into daunting digital obstacles. Sure, the Raspberry Pi fired right up and filled the computer display with lines of code. But it was all Linux. Yuck. Sorry Linux fans, but for some of us mere mortals, Linux is a weird opaque world in which every little thing is somehow a lot harder.
I also began to suspect that my 2013 Model B might be sort of a Model T in the Rasp Pi world. It might not be up to the computing task.
And finally, as I poked around the internet, I began to conclude that the Raspberry Pi software for SDR is not quite done yet. All the sites seemed to have the word “experimental” in there. And lots of “I’m pulling my hair out” comments Maybe I’m wrong, but maybe we just need to give this more time.
Let me ask the distinguished group some questions:
Is my Model B really useless for SDR purposes, even if I don’t need all the bells and whistles?
Is there an SDR program that can be easily placed in a Raspberry Pi by someone who has NOT mastered the mysteries of Linux?
For now, I have cleared the raspberries from the bench and am back to working on HDR stuff.
New Posts to BITX HACKS
Don’t miss the new posts on the BITX HACKS blog. There are some great ideas from Don ND6T and some wonderful tribal knowledge from Pete N6QW.
http://bitxhacks.blogspot.com/
Ken G4IIB’s BITX Journey
Many thanks for your respective responses to my plea for help in setting up SI5351 derived BFO to my BITX40 board. You were both on the money.
Pete suggested that I had too much gain in my HB amplifier from the SI5351 output to the modulator and indeed that proved to be true. Once sorted I also noted that I was getting extra hiss on switching to one of the sidebands as you pointed out Bill this proved to be due to incorrect placement of that particular BFO frequency.
These BITX40 boards that Ash Farhan has developed and released to the world wide community of Radio Amateurs are worth every penny. Because they are so hackable (not just the circuitry but now the Raduino code also) it means that you can tailor it to your specific specification and in the process you are likely to learn new stuff and make new friends. I describe my BITX40 incarnation and experiences below:
Upon first firing up the BITX I was getting quite a lot of mains hum from my PSU’s (I thought that at least one of these PSU’s was a quality item) but obviously not up to the job. I constructed a simple one transistor capacitor multiplier (this converted a humble 1000uF cap into a 1F cap) and the noise magically disappeared. By coincidence I note that Bill discussed this technique in a recent pod cast. Another advantage of this technique was that I got a 2V drop across the transistor so by running this on 13.8V I get 12V out so I run the PA section on un-smoothed 13.8V (this gives me 12 watts of RF out) and run the receiver section on the smoothed 12V output from the multiplier, happy days.
My thoughts were to turn my BITX into a multi band (several bands rather than all bands) rig and I figured that using high side mixing (running the VFO at 19Mhz (12Mhz + 7 Mhz) rather than the existing low side mixing (12Mhz – 7Mhz=5Mhz VFO)) would be a better option. For example running it on 17M would mean using high side VFO anyway. I also wanted the ability to be able to switch sidebands especially on the lower frequencies so that I could use the rig for Digital modes in my case this was to be achieved by coding the Arduino to run a BFO on one of the SI5351’s clk ports.
I bought my BITX prior to the release of the Raduino so I had already commenced (with the aid of a new found radio friend and RF mentor) coding an Arduino VFO/BFO using a UNO and SI5351. Like I said at the beginning once you let folk know that you are starting on a new and interesting project you start to engage the more practical members of the ham community and they just want to get involved and help. Yet another good reason to buy a BITX . We used code originally developed by Jason Mildrum NT7S and Przemek Sadowski SQ9NJE and tailored it to suit the BITX40 and our requirements. This include high side VFO with frequency step adjustment and a BFO with long push BFO changeover. This meant that my BITX front panel should stay very minimalistic 2 knobs.
Getting the VFO to work was simple as the DDS socket was used and to better accommodate the high side VFO I modified the board by tombstoning caps C91 & C92.
Getting the BFO to work proved to be more problematic I was troubled with hiss and other noise. Words of wisdom from Pete Juliano when asked if I was doing something wrong were: ” No –it is just that we tend to think our projects are like Lego type building blocks where everything mates and snaps together. Sometimes more is required”. True Pete and that gives us the opportunity to learn new stuff!
To cut a long story short I found that the best place to connect the BFO was on the modulation transformer T4 thus bypassing the BITX BFO stage altogether. I was also getting hash noise believed to be emanating from the Uno. At this stage my after market Raduino arrived from India. I fired this up and noticed that I was not getting any hash noise from it. This pointed us to a coding problem and the LCD refresh was altered on our code and the problem disappeared. Below a picture of the module showing the BFO connections to T4 and the large heat-sink with the IRF510 insulated from it. Also shown is the capacitor multiplier and a glimpse of the Raduino in the foreground. Not the most elegant box but this is likely to change pending further refinements. It’s still work in progress and this box gives me plenty of room.
The Raduino is a fantastic piece of kit for the money extremely neat and well thought out. The coding is comprehensive and innovative and works well. However, from an aesthetic and ergonomic point of view there were a few things that I personally did not like in terms of how it operates and performs. I could not get away with the potentiometer tuning, you can tune 50Khz of the band and then when you near the pot edge it increments/decrements and you can re-tune. I found this clunky to use and in addition the Raduino would hunt causing the last digit to increment then decrement causing an annoying warble on audio. In my opinion a Rotary Encoder would be better solution. On the plus side, although not mentioned on the Hfsigs web site the Raduino code does come with other functions such as changing sidebands by temporary high siding the mixer, a RIT, VFO B and CW tone. If you download and read the Raduino code from Github you will see this extra functionality which I believe you can make use of via extra switches (not supplied). The current Raduino code does not have any external BFO options as said it relies on the crystal BFO and temporally high siding the VFO to change from LSB to USB on 7Mhz.
The Raduino module itself is just too good and neat not to use. As I did not have the where for all to fully understand and amend Ash’s code I decided to use the Raduino but to load it with the code that we have developed for he Uno and Addafruit SI5351 board. This would give me near conventional tuning via a rotary encoder, adjustable step sizes via quick push of the encoder switch and USB/ LSB switching via long push of the encoder switch by virtue of the SI5351 generating the BFO frequency. I have retained a copy of Ash’s Raduino code just in case I wish to revert to it. I put a new header on the Raduino P3 connector so that I could connect a rotary encoder and use the 2nd clock output and then changed our code to run on a Nano. I had to add a correction factor in the code to cater for calibration differences in the SI5351’s (in my case 1.21Khz).
As previously indicated I had a little trouble arriving at the correct BFO frequencies I found that 119940 and 119970 gave me LSB and USB respectively for my high side VFO (19Mhz) if you use low side VFO (5Mhz) then these would be reversed. We further refined these frequencies by injecting white noise into the mic amp and looked at each transmitted sideband on my RTL-SDR dongle via HDSDR (a useful piece of test equipment). By adjusting the carrier trimmer to show the carrier in the extended HDSDR spectrum display we could see how much to move the BFO frequency to best occupy the crystal filter pass band, see image below. This frequency adjustment being achieved by a coding change. The frequencies I consolidated on to cater for my particular crystal filter are 119941 LSB and 119969 USB. We then nulled the carrier back out. My audio is now as smooth as a maiden’s inner thigh, trust me the image will follow!
In the mean time folk should just get a BITX40, hack it to bits and share with us their customised versions.
VK4FFAB’s FB Intro to LTSPICE
Rob VK4FFAB wrote a really nice series on how to get started with the LTSPICE circuit simulator. I’m sure these articles will also have a lot to offer for those of us who’ve been using LTSPICE for a while now. Thanks Rob!
Rob’s articles can be found here:
http://vk4ffab.info/lt-spice-for-radio-amateurs/
Falling for the SDR Waterfall…
This is going against everything I believe in, but I admit it — I want one of these.
VK2EMU’s Biscuit-Tin Direct Conversion Receiver
VK3YE’s GREAT “QRP by the Bay” Event
Last weekend Homebrew Hero Peter Parker VK3YE hosted another of his amazing twice-yearly QRP events. It was at a park near the iconic Chelsea Pier in Melbourne. Peter Marks VK2TPM sent a very nice write-up with pictures:
http://blog.marxy.org/2017/02/qrp-by-bay.html
And a nice audio report:
http://s3.marxy.org.s3.amazonaws.com/audio/QRP_By_the_Bay_2017.wav
Peter Marks reports that most of the on-the-air activity was on the 120 foot ham band (40 meters for you modernists). Many BITX40’s were on display.
ZL1UEM’S Tiny OLED Si5351 Arduino VFO
First let me say that I have been an avid follower of the SS blog and podcasts since the days of your podcasts involving Mike KL7R.
Like many others I was tempted to purchase the $49 surface mount module from HF Signals. As a keen home brewer I felt guilty about employing a prebuilt board but excused my decision on the grounds that I would build a DDS and other accessories myself.
In addition to follow the SS blog I also check Pete’s blog regularly and was excited by his OLED VFO for the Bitx40.
I constructed it on a small double sided matrix board with plated through holes. A bit of noodling led to the layout shown in the photos. There is only one board with components mounted on both sides. The board came to life on the first power up but the text spilled off the bottom of the display.
I assumed that the sketch that I had downloaded from Pete’s blog was for a different OLED module. I knew that he had also used a yellow/blue OLED, the same as mine, previously so emailed him requesting a sketch for this OLED.
I was taken aback when he informed me that the sketch I had was the same for both the dual colour OLED and the black and white one too. Pete suggested that I swot up on the use of OLEDs generally and that perhaps I should first experiment with the text size to begin with. He also offered some advice about the mapping of the screen.
I soon discovered that the text size was not the cause of my grief and that I needed to look elsewhere.
I first tried running the ssd1306_128x64_I2c sketch from the sample sketch folder and was rewarded with the message “Height incorrect, please fix Adafruit _SSD1306.h”. A search of the Internet revealed that I needed to edit the .h file and find “#define SSD1306_128_64” which was commented out and uncomment it and make sure that the other two options, _32 and _16, were commented out.
My next problem was how to edit the specified .h file. I tried notepad but the text all ran together. Another internet search revealed that Notepad++ was a suitable choice and it did indeed cut the mustard.
A reload of the sketch completely restored the display to full functionality.
All this may be obvious to many but it was all new to me and if I had not been prompted by Pete l would not have had learnt so much and would not have had the same sense of achievement when it all came together.
Many thanks to you and Pete for providing a focus for my hobby.
73’s
Hugh ZL1UEM
Schematic for the RTL SDR Dongle Front End
Adding a Homebrew Front End to an RTL-SDR HDSDR Receiver
I started playing with the RTL SDR dongles again. I wanted to use them to confirm that my BITX signal is NOT 9 kc wide (it is not). I also wanted to try to confirm the aircraft band frequencies in use in this area.
So I got the HDSDR software running and plugged in the dongle that I had modified for HF use. It worked great, but I could see (literally SEE) that it needed some bandpass filtering and perhaps a bit of RF gain. So today I threw together this device. Dual gate MOSFET (gates tied together) with an LC filter on the gate. Power from Malaysia via the 9V battery.
It works great. It was fun to add a bit of homebrew to an otherwise soul-less commercial receiver. But beware: that waterfall is addictive, even for a hardcore Hardware Defined Radio guy like me.
“First Light” on Brad’s Direct Conversion Receiver
So cool. You can just feel the enthusiasm. Congratulations Brad!
Bill and Pete:



























