Did you kill some chickens already? If you did, THANK YOU! If you don’t, then please enjoy a nice sancocho de gallina for me.
FAKE TRANSISTORS!!!!
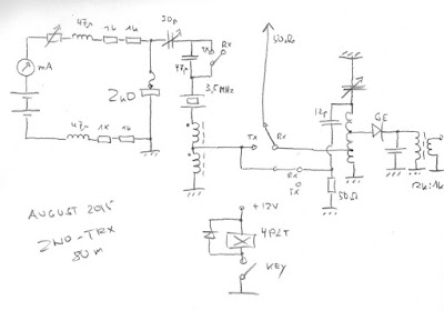
I knew I couldn’t be screwing everything up so badly and VK3YE’s circuit couldn’t be so wrong.
I was getting nuts trying to understand why it wasn’t working, changing a single inductor could fry the final instantly or not getting any power out at all (?) also my final BD139 was getting extremely hot, and many of them died with no apparent reason (Page 149!!!!).
I ordered a “good” deal of BD139’s and BD140’s combo for an incredible low price from [A WEB SITE], I’ve ordered many *apparently good components from that site with no problems so far… mainly resistors and capacitors. Having tried everything to get my circuit working and after some quick online search about fake transistors from china my suspicions grew considerably and I remembered some -other- BD139’s I had ordered from Amazon some time ago.
I proceeded to solder the new transistors in place in my PA and Bingo! No more heating of the final and about the expected 0.5W out from my first DSB homebrew rig. I quickly reported to a fellow homebrewer in a local net and the report was amazing! 59 +10, the final transistor was comfortably warm to the touch and my mind could finally rest… lesson learned! What an electromagnetic achievement!
Just wanted to share my success Bill and thank you again for you book and you kind response.
Please say hi to Elisa and the Cristalinhos from a fellow Latin friend.
73/72 from Colombia!
Daniel














