Oscillating Light Bulbs

Oh man, this is some fascinating stuff: old light bulbs found to be oscillating at VHF! Wayne, VA7AT, stumbled upon this phenomenon at age 13 while engaged in Knack activities. Now Joe Sousa explains the physics behind the emissions that caused Wayne’s light bulb to interfere with the broadcast of baseball games. How long until AA1TJ has one of these bulbs on the air, making contacts? There is much in this that would appeal to Michael: light bulbs, weird physics, translations from German… You gotta love the BNC connector plugged directly into the bulb. Check it out the radio museum article here.

Hi Bill

There was a question posted on Antennex E-mail discussion group talking about how a vacuum type light bulb will oscillate and radiate RF at about 100MHZ. This answered the question I had since I was a boy of 13 experimenting with a light bulb in series with an electrolysis bath (aluminum electrodes with table salt dissolved in water) and 117vac. The bulb dimmed with the electrodes apart and at a certain position the radio I had on blanked out with fissing sound. I had to shut down the experiment quickly because the neighbors were listening on their favorite baseball game and cussed loudly .

I now know what happened on that fateful day. Here is a site I found about the oscillating light bulb http://www.radiomuseum.org/forum/rustika_lightbulb_fm_measurements.html
Wayne VA7AT


Our book: “SolderSmoke — Global Adventures in Wireless Electronics”http://soldersmoke.com/book.htmOur coffee mugs, T-Shirts, bumper stickers: http://www.cafepress.com/SolderSmokeOur Book Store: http://astore.amazon.com/contracross-20

Sputnik Rigs Cross the Pond, Cambridge to Cambridge

The Chief Designer, Michael, AA1TJ, alerted us to this wonderful post on Roger, G3XBM’s blog:
http://g3xbm-qrp.blogspot.com/2011/09/sputnik-across-atlantic-today.html
We clearly see the spirit of the International Brotherhood of Electronic Wizards in Roger’s comment: “Nice to think that valves used in missiles aimed at each other in the Cold War end in bringing friendship and joy. CW is a wonderful mode if you want simple equipment capable of DX.” Indeed. Well done!

Our book: “SolderSmoke — Global Adventures in Wireless Electronics”http://soldersmoke.com/book.htmOur coffee mugs, T-Shirts, bumper stickers: http://www.cafepress.com/SolderSmokeOur Book Store: http://astore.amazon.com/contracross-20

Google, Supernovas… and DRAKES

I liked this ad for Google, but I now have the urge to decapitate my garden shed. Check out dad’s Drake gear. Late in the clip you can see some beam antennas on a tower near the house.

Our book: “SolderSmoke — Global Adventures in Wireless Electronics”http://soldersmoke.com/book.htmOur coffee mugs, T-Shirts, bumper stickers: http://www.cafepress.com/SolderSmokeOur Book Store: http://astore.amazon.com/contracross-20

ALL the Bell System Tech Journals — FREE!

Thanks to Dave, N8SBE, for alerting us to yet another tech treasure trove:

http://www.alcatel-lucent.com/bstj/

Our book: “SolderSmoke — Global Adventures in Wireless Electronics”http://soldersmoke.com/book.htmOur coffee mugs, T-Shirts, bumper stickers: http://www.cafepress.com/SolderSmokeOur Book Store: http://astore.amazon.com/contracross-20

Earthquake Video — From Atop the Washington Monument

Check it out. This gives you an idea of what the August quake was like (albeit from a perhaps the scariest location):

http://youtu.be/BgHC2qREslw

Our book: “SolderSmoke — Global Adventures in Wireless Electronics”http://soldersmoke.com/book.htmOur coffee mugs, T-Shirts, bumper stickers: http://www.cafepress.com/SolderSmokeOur Book Store: http://astore.amazon.com/contracross-20

2-B Trouble Continues

Thanks for all the suggestions and encouragement. I agree with WA6ARA that the bandswitch is a likely suspect. For the E socket on the Drake 2-B (that’s where my 22 MHz rock goes) the bandswitch switches in not just the crystal, but also a slug-tuned coil. It is presumed to be an overtone crystal.

The receiver works fine on all other bands.

I’ve already hit the wafer switch with several shots of RadioShack Contact Cleaner (I’m out of De-Ox-It). And I’ve given position E a good work out. No joy.

I will dig deeper this week.

It may be the crystal. It looks like I got it from Drake — it is marked “22 MHz 2C” so it may be for the 2C receiver. It has a sort of worrisome dent in the side. I may build the test oscillator that Steve recommends.

Of course, as soon as I get this fixed the sunspots will disappear and 17 will become a white noise generator.

Our book: “SolderSmoke — Global Adventures in Wireless Electronics”http://soldersmoke.com/book.htmOur coffee mugs, T-Shirts, bumper stickers: http://www.cafepress.com/SolderSmokeOur Book Store: http://astore.amazon.com/contracross-20

2B Trouble!

So this morning I hear that the solar flux is up around 190 and the higher bands are coming back to life. I turn to my trusty Drake 2-B and turn the band switch from “40” (where it has been parked for quite some time) to “E.” E is the position that kicks in the 22 MHz overtone crystal on the 6U8 local oscillator. I eagerly turn the pre-selector to the area where the 17 meter band used to appear and… nothing. Nada. Silence. No band noise. Nothing.

I thought the 6U8 might be going a bit soft. I swapped it out. The problem remains. I twisted that E band coil from one end to the other. Nothing. I cleaned the bandswitch contacts. No joy. Now I’m thinking it is the 22 MHz crystal. But its kind of strange for a crystal to just suddenly go bad… It worked before. The receiver is working on all the other bands, so the problem is really that the oscillator just won’t go on 22 MHz.

What do you wizards recommend?

Our book: “SolderSmoke — Global Adventures in Wireless Electronics”http://soldersmoke.com/book.htmOur coffee mugs, T-Shirts, bumper stickers: http://www.cafepress.com/SolderSmokeOur Book Store: http://astore.amazon.com/contracross-20

Drake 2-B Video

Some cynical readers will see this as yet another effort on my part to drive up the net asset value of the SSDRA2B Investment Fund, but I really just thought that those of you who have not had the pleasure would enjoy seeing a Drake 2-B in operation. Pity he didn’t have the Q-multiplier. I’m sure some of the other 2-B videos on YouTube (there are many!) will feature 2-B regeneration.

Our book: “SolderSmoke — Global Adventures in Wireless Electronics”http://soldersmoke.com/book.htmOur coffee mugs, T-Shirts, bumper stickers: http://www.cafepress.com/SolderSmokeOur Book Store: http://astore.amazon.com/contracross-20

HW-7s, CB:”A Gateway Drug”, and The Manly Way to Tune a Transmitter

I got a kick out of this e-mail from Cory, WA3UVV:

Hi, Bill!

While listening to SS137, you brought back some warm memories.

Bert Sessler, WA3WAW and I both grew up in Uniontown and met via CB – which was a gateway drug to Ham Radio for many of us. Within a fairly short time, we became good friends. Although I moved away some 30 years ago, I always try to get together with him when I’m back in town.

The HW-7 references also reminded me of trips into the nearby hills (being a few years older, I had my driver’s license and car before him) with his HW-7 and some lantern batteries. We’d park my ’69 Chevy Nova and then hike the trails to find some suitable trees for antenna supports. Bert’s code speed was impressive right from the start and he’d work more stations than me, in rapid succession. (How many 25+ WPM Novices do you know?)

Later, I’d get a HW-7 (and TenTec Power Mite 2) for those hikes alone, but it wasn’t quite the same as doing it with a friend. These days, I go to parks in the relatively flat South Jersey or Delaware with a FT-817ND, MFJ-9030 or 20M VXO’d RockMite and TX Topper Amp. Recently, pangs of nostalgia for my HW-7 (and ARC-5 station, for that matter) have arisen. I know the receiver doesn’t stack up against the new stuff I have, but it was certainly good enough for many enjoyable contacts.

Also, John Zaruba, K2ZA, is a good friend of mine here in Gloucester County. I’ve laid hands on the DX-100 you now have. You should have seen the Collins A line John’s dad had in the racks. Everything looked almost factory new.

At our GCARC Hamfest over the weekend, John helped feed my tube addiction with 4 boxes of NOS tubes, shields, etc. I also bought his dad’s Meissner Signal Shifter. After giving it a respectful time to warm up and colorfully glow again (orange, purple and green from the “magic eye”), I attached it to a tungsten lamp – the “manly” way to tune a tube transmitter – and got RF! As it has a balanced 300 ohm output, I have to build a 6:1 balun and hope to have it on the air next week with its characteristic chirp. Hmm, just like the HW-7 and my ARC-5’s of years gone by…

I hope you and your family are enjoying life back in DC. It’s not the milieu of Italy, but at least you’re much closer to a Ham Radio Outlet!

All the best,

Cory – WA3UVV

PS – If you have a desire to home brew a 6L6 transmitter and need a tube, let me know. My mom taught me to share…

Our book: “SolderSmoke — Global Adventures in Wireless Electronics”http://soldersmoke.com/book.htmOur coffee mugs, T-Shirts, bumper stickers: http://www.cafepress.com/SolderSmokeOur Book Store: http://astore.amazon.com/contracross-20

Getting Ready to Listen for Sputniks

October 4 is approaching and I DO NOT have a homebrew Sputnik transmitter in the works. I hang my head in shame. AA1TJ sent me the parts, but they went to one of my many APO or FPO addresses, so I suspect they are orbiting around the Azores, or London, or Lisbon, or Rome. I’m sure they will reach me eventually.

But I have come up with a way to participate in this historic event even without a homebrew replica transmitter: I will be listening for the Sputnik transmitters, and I will be doing so with a receiver of that era, a receiver that could have been used by some earnest teenager eagerly tuning for the beeps of the overhead RED MENACE. Like the intrepid young man in the picture. What a great shot! Wow, that’s Roy Welch W0SL, then W5SLL! When I got into satellites in the Dominican Republic in 1994, the first tracking program that we used was Orbits II… by Roy Welch. We loved that software. From the AMSAT page: “Roy and his two-year-old daughter would put the radio speaker in a window and then go outside and listen to the strong signals while they watched the third stage booster tumbling end over end like a bright pulsating star as it passed over in the evening sky.

I will be using a Hammarlund. Moore’s “Communication Receivers” says my
HQ-100 was made between 1956 and 1960. PERFECT! (Mine was probably in the Dominican Republic on October 4, 1957.)

By the way, I got into the old Electric Radio magazines again, reading some more of Lew McCoy’s wonderful reminiscences. He reports that during the Sputnik period he — and apparently others — were asked by their Uncle Sam to use their skills to monitor Soviet space activities.

Let the beeping begin! (Sputnik signals recorded by Roy Welch:
http://www.amsat.org/amsat/features/sounds/Sputnk1b-144.ra)

Our book: “SolderSmoke — Global Adventures in Wireless Electronics”http://soldersmoke.com/book.htmOur coffee mugs, T-Shirts, bumper stickers: http://www.cafepress.com/SolderSmokeOur Book Store: http://astore.amazon.com/contracross-20

Mike, KL7R’s HW-8 DSB Mod

The HW-8 rehab project of Ed, WA3WSJ, has led to a nice discussion on QRP-L about the possibility of using the HW-8 as a DSB rig. Mike, KL7R, did such a mod on his HW-8 many years ago and used it successfully in the field in Alaska. Read his story here:
http://kl7r.ham-radio.ch/hw8/hw8story.html

Nick, WA5BDU, and I have been discussing the possible need for an additional mod to put the HW-8’s final in linear mode. The picture above is of Mike’s rig, with the finals unbiased. Check out the scope. Looks pretty good to me!

Here’s the e-mail exchange:

Re: [QRP-L] WA3WSJ Heathkit HW-8 Rebuild Status

Monday, September 19, 2011 7:32 AM

From:

To:
“Bill Meara”
Cc:
qrp-l@mailman.qth.net, sigcom@juno.cm

I had the same thought regarding amplifier class, and Steve, WB6TNL also emailed the same observation.

The balanced modulator is inserted between the driver and final amplifier, which has no fixed bias and has its emitter grounded, so it’s definitely class-C. I do note that the balanced modulator is passive and probably has 6dB or more of loss, so you’re getting a pretty good drive reduction. And Mike said he adjusted the audio while watching the RF output until there was minimal flat topping on a scope. So I wonder if it’s possible to keep things fairly linear if the power is kept quite low?

At any rate, I love the idea. Here’s Mike in the 70s. He has an HW-8 he’s familiar with, and he’s reading SSDRA. Going over the simple DSB generation examples, he thinks — why not stick this in the RF train of my HW-8?

72-

Nick, WA5BDU

On 9/19/2011 4:36 AM, Bill Meara wrote: Nick: I enjoyed reading about your HW-8 adventure, especially the part about Mike’s work with this rig. I remember talking to him about it, and I’ve since come across some articles describing similar DSB mods. One thing that all of these plans lack, however, is a modification to the PA. It is Class C in the HW-8, and would need to be made linear for DSB service, correct? 73 Bill N2CQR

— On Sun, 9/18/11, Nick-WA5BDU wrote:

From: Nick-WA5BDU
Subject: Re: [QRP-L] WA3WSJ Heathkit HW-8 Rebuild Status
To: qrp-l@mailman.qth.net
Date: Sunday, September 18, 2011, 9:44 PM

Sounds like a great project (or projects!) Ed.

I’m working on an HW-8 also. Bought it at a hamfest this Spring at a
good price, but suspected it might have some issues. When I started
playing with it I noted that transmit power was down, the loading
control was stuck, and there was no sound from the receiver.

The receiver issue was the most challenging and I eventually tracked it
to a leaky transistor in the T/R circuit which was activating the mute
function even when key up. I suspect that the transistor’s problem may
have been due to the lack of a de-spiking diode on the T/R relay’s coil
so I added one.

So far I’m not keen on modifying the rig and am even keeping the RCA
connector (spent an outrageous $5 for a RCA to BNC adapter from Radio
Shack). Well, maybe not outrageous, but I’m pretty cheap. Other than the
diode, I did add a 1A fuse and a reverse polarized diode downstream of
it for reverse-polarity protection.

After going thoThe HW-8 rehab project of Ed, WA3WSJ, has led to a nice discussion on QRP-L about the possibility of using the HW-8 as a DSB rig. Mike, KL7R, did a mod on his HW-8 many years ago and used it successfully in the field in Alaska. Read his story here:
http://kl7r.ham-radio.ch/hw8/hw8story.html

Nick, WA5BDU, and I have been discussing the possible need for an additional mod to put the HW-8’s final in linear mode. The picture above is of Mike’s rig, with the finals unbiased. Check out the scope. Looks pretty good to me!

Here’s the e-mail exchange: ugh most of the alignment procedure (I don’t have a tool
that will reach the bottom coils of the dual-coil adjustable inductors),
the VFO looks good and the power output seems about right.

It was nice that QRP Afield and the Washington Salmon Run were going
right after I did my repairs, so I was able to make ten or so QSOs to
try it out. It also reaffirmed the idea that QSOs can come pretty easily
at 1 or 2 watts out — you don’t need the full pentawatt. I had my first
QSO with the rig the night before, when it was fitting that I worked a
guy running a HW-101 who said he also had a HW-8. Heath to Heath at
random — what are the odds?

I find that if I buy a used rig and have to work on it to get it going,
I develop a greater appreciation for it. If the repair is successful,
that is.
The HW-8 rehab project of Ed, WA3WSJ, has led to a nice discussion on QRP-L about the possibility of using the HW-8 as a DSB rig. Mike, KL7R, did a mod on his HW-8 many years ago and used it successfully in the field in Alaska. Read his story here:
http://kl7r.ham-radio.ch/hw8/hw8story.html

Nick, WA5BDU, and I have been discussing the possible need for an additional mod to put the HW-8’s final in linear mode. The picture above is of Mike’s rig, with the finals unbiased. Check out the scope. Looks pretty good to me!

Here’s the e-mail exchange:
The HW-8 has an interesting mixture of modern and semi-vintage (70s)
features. Some things I found interesting were –

It uses a LM3900 quad Norton op-amp for the active audio filter, one
stage of audio amplifier, and the sidetone oscillator.

The final amplifier is a 2N4427 with a small heat sink. According to the
data sheet it is rated for 1W output at 175MHz and has GWB of 500MHz.(I
assume that’s original — I was sort of surprised it wasn’t “house marked”.)

It has a direct conversion receiver but has a heterodyne frequency
generation system. The product detector is an MC1496 balanced modulator IC.

The VFO tunes the same linear scale 250kHz on each band, 8.645MHz to
8.895MHz with a reduction drive. Pretty state of the art for the 70s.

Heath rates power the old way with power /input/ of 3.5, 3.0, 3.0 and
2.5 watts input from 80 through 15.

Bandswitching, covers 80, 40, 20, 15 meters.

The audio output stage is a small transistor in a common emitter
configuration with a 1kΩ resistor in the collector lead.So it can only
put out a small amount of AF power and into a high impedance (1k)
load.Has a mono ¼ inch phone jack and no speaker.

Keying is by pulling 12V to ground like in a modern transceiver.There’s
a keying offset of 750 Hz and you tune to the HIGH side to get on frequency.

Antenna switching is done by a relay with adjustable drop-out time for
semi-QSK.

Relative power output meter, not used on receive.

While doing web searches on the HW-8, I came across the web site of
Mike, KL7R (SK), late co-host of Solder Smoke.

http://kl7r.ham-radio.ch/hw8/hw8story.html

The idea that he put the HW-8 on DSB with such a simple mod really
impressed me. I think I’m going to fool with some DSB stuff in the
future, although I’m not sure I’ll try it with the HW-8.

72,

Nick, WA5BDU

Our book: “SolderSmoke — Global Adventures in Wireless Electronics”http://soldersmoke.com/book.htmOur coffee mugs, T-Shirts, bumper stickers: http://www.cafepress.com/SolderSmokeOur Book Store: http://astore.amazon.com/contracross-20

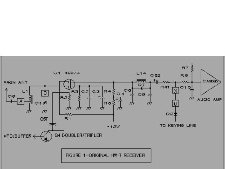
The (much maligned) HW-7 Receiver

My HW-7 benefactor, Mike, WA3O, sent me some files related to this rig. Above, the original receiver. Very simple. Note the 40673 dual-gate MOSFET (often used by Doug DeMaw). The 40673 was implicated in quite a bit of square law detection of shortwave broadcast signals. I don’t seem to be having much trouble with this — could this be the result of the demise of many of the powerful SW broadcast stations? Perhaps the old, standard HW-7 receiver should be given another chance… As I type, I’m listening to 40 meters with this circuit and signals are just pouring in. It works just fine.

Here is one of the many mods recommended for the receiver in this rig. I like this one too — those SBL-1 devices are very nice. They look like ICs, but they are REALLY simple and you can crack them open and see their innards.

Our book: “SolderSmoke — Global Adventures in Wireless Electronics”http://soldersmoke.com/book.htmOur coffee mugs, T-Shirts, bumper stickers: http://www.cafepress.com/SolderSmokeOur Book Store: http://astore.amazon.com/contracross-20

Big Satellite Coming Down

I remember seeing this satellite as it passed overhead. It was one of the brighter birds (it is BIG) and it had a distinctive red color to it. NPR reports that the odds of it hitting someone are in the area of 1 in 3800. Steve “Snort Rosin” Smith tells me he has his catcher’s mitt on:

http://www.space.com/12859-nasa-satellite-falling-space-debris-uars.html

I’ve always wanted a piece of space debris ever since SkyLab crashed.

Waiting and watching on the Left Coast……I’ve got it! I’ve got it!”…….-THUD-.

73…….Steve Smith WB6TNL
“Snort Rosin”

Our book: “SolderSmoke — Global Adventures in Wireless Electronics”http://soldersmoke.com/book.htmOur coffee mugs, T-Shirts, bumper stickers: http://www.cafepress.com/SolderSmokeOur Book Store: http://astore.amazon.com/contracross-20

Shack Rehab

Every once in a while we all need to attack the clutter that grips our radio shacks. That’s what I was doing this weekend. I got rid of a lot of junk. And I reorganized the operating position. On the left is the HQ-100. I plan on putting the K2ZA DX-100 underneath the HQ-100. To the right is the famous Drake 2-B/Hallicrafters HT-37 combo. Next we have the roadkill Ubuntu computers. The laptop used in the production of the podcast is right behind the keyboard. To the right of the computers I have the HW-7 that we recently discussed. Next to it is my Ne-602-based 20 meter DSB transceiver. I plan to us the shelf above the HW-7 (where the clock is) for experimental rigs. To the right of the operating table I have some shelves that hold the beacon gear.

I have all the rigs on the operating table hooked up to an old MFJ coaxial switch, so it is easy to get them connected to the ether. I’m listening to 40 meter AM now. I did some Spanish language SW listening this morning: Radio Havana Cuba, Radio Marti, CBC Canada, Radio Japan, WWV…

Cleaning up proved very fruitful. I found an old portable DVD player — Elisa’s Mom now has a way of watching the many hours of family video that we have accumulated. I also found and rehabilitated some “family radio service” handi-talkies — the kids are using these to communicate with friends across the street. And I dusted off my old 2 meter Radio Shack HT. It works! I almost clipped it onto my belt as we were heading out today, but my kids would never allow me to be so techno-retro in public.

FIGHT ENTROPY!

Our book: “SolderSmoke — Global Adventures in Wireless Electronics”http://soldersmoke.com/book.htmOur coffee mugs, T-Shirts, bumper stickers: http://www.cafepress.com/SolderSmokeOur Book Store: http://astore.amazon.com/contracross-20

Homebrew Hero: John Rollins, W1FPZ

Ted, AJ8T, alerted me to the life and work of John Rollins, W1FPZ. As you can see from the text below, John was definitely part of the International Brotherhood of Electronic Wizards. I especially like the bit about his taking license exams in foreign languages, and about winding his own transformers in Madagascar. Great stuff. The videos about John and his workshop are really encouraging and inspirational. I laughed out loud when I heard John admit that he was surprised when one of his rigs worked the first time he fired it up. He said that he usually had to spend 3-4 months struggling to get his creations to work! Be sure to listen to the story about how John caught a Navy helicopter with his Vee beam. Thanks Ted, and thanks to Bruce, W1UJR, who took the time to make these wonderful videos.

Here are videos:

http://youtu.be/EV9ljdHLqLg

From John’s QRZ listing. This was written by Tim, W1GIG. (Thanks Tim!):

John passed away on March 18, 2008. It was 11 years ago that Bruce Kelly asked John to take over the Amateur Radio column in the OTB as Bruce himself was winding down. John was a man of many talents and had a most interesting life. Because he was always so busy helping others, he rarely took time to talk about himself, so I am going to take this opportunity to tell you a bit more about him.

John was born in Guatemala of American parents where his father worked for United Fruit Company (think bananas). At an early age, his father died of malaria and his mother moved the family back to New England. He also lived with an Aunt and later with his much older brother, an airline pilot, who lived on Long Island. As a teenager John discovered radio and his brother bought him a $5.00 two tube regenerative radio kit to build. John built the kit, but it was another 6 months before he got another kit for the power supply. With the help of a ham who lived nearby, he got the radio working which opened up a whole new world for him. John was in High School when his brother went with him into NYC to test for a ham license at the FCC Field Office. For the next couple of years he was active on 40 M. CW using the regen receiver and a Hartley oscillator.

At this point, WW II got in the way. John enlisted in the Army and was trained in radio repair, shipped off to New Guinea, and assigned to be a telephone lineman. The Army moved John steadily North to the Philippines and then to Japan where he was finally sent back to the States for discharge. John enrolled at the University of New Hampshire where he discovered his love of geology. He liked it so much he went on to get a Masters at the University of Nebraska and several years later, a Doctorate also from the University of Nebraska. He continued to work for Chevron exploring for oil in Africa, Madagascar, Spain, Denmark and many other countries including the US.

While he was in college, John remembered his love of radio, but unfortunately his ham license had expired, so he went back in 1954 to test again receiving the call W1FPZ which he held ever since. Later, he tested for his ham license in Madagascar (in French) and in Uruguay (in Spanish). Not many of us have tested for our licenses in three languages! While he was in Madagascar he built many of the transmitters that are still in use at his home. He even wound his own power and filament transformers to get the voltages he wanted.

John also discovered that he was an excellent pistol marksman, but that his results could be substantially improved by reworking the guns themselves, so he taught himself to be a gunsmith. His skills at woodworking, carving, machining, precision casting of bullets and loading target shells were such that this became a major hobby business for him which he pursued right up to recent months.

John was a survivor. While in the Army he survived a major brush with a 3,300 volt power line and later a plane crash while in Africa. Since small planes were the only way for John to get to his job sites, he decided that he’d rather trust his own skills as a pilot than rely on the brush pilots that the oil company had hired. Back in the States, recuperating from his injuries, he got a private pilot’s license, then went on to a multi-engine commercial license with full instrument ratings. Just before he retired, he was working out of Denver and flying his own twin engine Queen Air to Maine to work on his retirement home. He even flew from Maine to the AWA conference one year picking up Marshall Etter, W2ER from Long Island on the way.

Preparing for retirement, John and his wife Liz doubled the size of their new home in Maine. As part of the project, John wanted reliable ham communications with his friends around the world. Limited by normal power regulations, he decided to build a BIG antenna. His final choice was a horizontal V beam aimed at the Southeast. The beam legs were 1,100 feet long and supported on three 100 foot towers. Looking for wire strong enough to span the distance he ran across an ad for #6 phosphor bronze wire run by Marshall, W2ER who had salvaged the wire when he was closing the RCA site at Rocky Point. The two men became fast friends and co-conspirators. Marshall provided quality parts left over from RCA and John, using his metal and woodworking skills, customized the parts to suit his projects. The result was a long series of radio projects that he gave to friends with the caveat that they were required to use them on the air in AWA events.

John always had a fascination with the products of Jerry Gross of NYC. He built a Gross replica transmitter for Marshall who used it for many years. Parker Heinemann, W1YG found an original Gross and had John restore it along with the receiver, station monitor and antenna tuner. They set up an entry in the 1991 AWA contest that exactly duplicated a Gross add from the 30’s and took first place. After the conference, John got a call from Bill Orr who offered John his Gross if John would restore it. That transmitter is part of John’s home station.

Not satisfied with the Hartley oscillator, John discovered that if he used the Colpitts circuit with a split stator condenser and grounded rotor, he could eliminate the hand capacity effect. One of his last projects was to set up the tuned circuit for me and share several of his other construction secrets. The circuit is rock stable on 40 meters.

Thanks for the opportunity to fill you in on some of the less well known aspects of John’s life. It was an honor to know him and he will be missed by all.

Our book: “SolderSmoke — Global Adventures in Wireless Electronics”http://soldersmoke.com/book.htmOur coffee mugs, T-Shirts, bumper stickers: http://www.cafepress.com/SolderSmokeOur Book Store: http://astore.amazon.com/contracross-20

An MFJ Cub and a Piper Cub

I was very happy to get this e-mail from Jeff, KO7M. Jeff has been using his Cub transceiver with his Piper Cub airplane. Very nice.

————————————————-
Hi Bill,
Long time no see! A while back I picked up a Kindle and have really enjoyed having an electronic way to tote around my Sprat PDF files and books. I decided to download a copy of Soldersmoke on the Kindle and re-read it and have enjoyed that very much. I am now reading your other book (just started) Contra Cross and look forward to enjoying that one as well.
Not much happening in the melting solder department, but I am working with an old National SW-3 regen receiver that I picked up on eBay. I am building a power supply for it and hope to have it on the air soon. Yeah, I know… I am from the dark side and enjoy regens. 🙂
We are having a stretch of nice weather out west and I have been flying as much as I can get away with as a result as it only lasts so long, eh? I flew up to the San Juan Islands and took the “Cub” transceiver with me up to Orcas Island camping a few weeks ago and had fun shunt loading a chain link fence. Made a few local contacts on 40 CW.
The cloud formations off the south end of San Juan Island the next morning were really cool! Check out the photos attached.
Hope all is well with you and your family. Take care, my friend.
73’s

Jeff Whitlatch – ko7m


Our book: “SolderSmoke — Global Adventures in Wireless Electronics”http://soldersmoke.com/book.htmOur coffee mugs, T-Shirts, bumper stickers: http://www.cafepress.com/SolderSmokeOur Book Store: http://astore.amazon.com/contracross-20

9 Volt Superhet with Russian Sputnik Tubes

Wow! Now that’s what I call a Manhattan breadboard! Joe Sousa has an excellent article on a broadcast band superhet that he built with Russian rod-type tubes, the same kind of tubes that flew in Sputnik.
http://www.radiomuseum.org/forum/sputnik_9v_superheterodyne_tube_radio.html
Lots of other great homebrew projects on this site also. Thanks to Bob, WA1EDJ, for alerting us to this.
Joe’s research may be of use to those radio fiends among us who are feverishly building their Sputnik transmitters. October 4 is almost upon us! Onward Fellow Travelers!

Our book: “SolderSmoke — Global Adventures in Wireless Electronics”http://soldersmoke.com/book.htmOur coffee mugs, T-Shirts, bumper stickers: http://www.cafepress.com/SolderSmokeOur Book Store: http://astore.amazon.com/contracross-20

Bud Waite, W2ZK, Antarctic Ham Hero

I really blew it in SS137, and in the original version of yesterday’s blog post. I can’t believe I actually reported that McMurdo Base was named for McMurdo Silver! This is like some weird self-inflicted payback for all my April 1 hoaxes. Sorry guys. McMurdo base is unfortunately not named for McMurdo Silver.

OM Armand, WA1UQO, came to my rescue! He provides a wonderful story (a TRUE story) about a ham who actually did have some Antarctic terrain features named for him. And deservedly so. Be sure to read the story of W2ZK in the links below.

By the way, we see here two additional examples of strong, distinctive names in the radio world: Armand Hamel and Amory H. Waite. Thanks to Steve “Snort Rosin” Smith for reminding me of another one: Philo T. Farnsworth. (Billy and I have long had plans for a kids novel built around a character named Excelsior G. Whiz — the G stand for GADZOOKS!)

Hi Bill!
Listened to Soldersmoke #137 Sunday evening and was intrigued by the McMurdo Silver piece. It immediately brought to mind another Ham that was associated with Antarctica and had a Point of land and four islands named in his honor. His name was Amory “Bud” Waite (W2ZK). There was a nice write up about him in the November 2009 QST Vintage Radio Column by K2TQN. There is also a wealth of information about him on the Antarctican Organization website. I have a fond spot for Bud even though I never met him. As a novice in 1975 I responded to an advertisement in QST for a used Heathkit TX-1. My first transmitter! Bud was selling it as a favor for the widow of a SK. Had a really nice conversation with him one evening and he mentioned that he had once been on an expedition with Admiral Byrd! WOW! Little did I realize then that he had been one of the three men that had rescued Byrd from a forward camp. The story is amazing and can be found on these links. The first link is a video of a presentation that he gave to a New Jersey radio club in 1974. It’s a little long but well worth the effort. You can see what McMurdo Sound looked like when he revisited it during the IGY (knew you would love that!). Anyway thought you would like to read about someone who really had the Knack. If you are looking for nominees for the Soldersmoke Ham Heros Hall Of Fame, I nominate Bud Waite ( and Doug DeMaw and Wes Hayward and Jean Shepherd). By the way, I still have the Heathkit Apache and hope to get it back on the air. As always keep the solder flowing and smoking and the podcasts comming.

73’s
Armand (WA1UQO)

………………………………..

Our book: “SolderSmoke — Global Adventures in Wireless Electronics”http://soldersmoke.com/book.htmOur coffee mugs, T-Shirts, bumper stickers: http://www.cafepress.com/SolderSmokeOur Book Store: http://astore.amazon.com/contracross-20