My ET-1 / FETer (Transceiver Made with One FET)

Magnificent, don’t you think? This is my version of the ET-1 or FETer. It is an HF transceiver using only one active device — a single MPF-102 Field Effect Transistor. I didn’t have a 4 pole Double Throw switch in the junkbox, but I did have a 4PDT relay, so I used the relay. So far I have only built the receiver. It is working nicely. I was listening to German and Polish stations on 80 meter CW this morning.

I had always wanted to build W2UW’s ET-1… I’ve been reading in “Empire of the Air” the inspiring account of Armstrong’s invention of the regen receiver… Then, along came SPRAT 137 and G3XBM’s FETer. I could no longer resist. Solder was melted.

It is great fun to listen to 80 meters and realize that the only thing between you and the ether is one small FET (you can see mine standing proudly atop the relay!) . Its a lot like using a crystal receiver. That one FET is serving simultaneously as an RF amplifier, mixer and BFO!

On to the transmitter! Thanks to OM Armstrong, to Glen (W2UW), and to Roger (G3XBM).

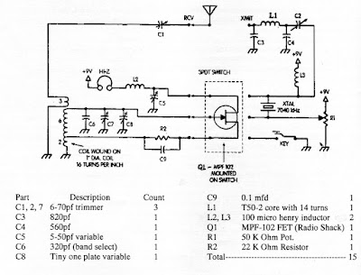
Minimalist Radio: The ET-1 and the FETer

SPRAT # 137 (Winter 2008-2009) has a number of great articles on minimalist radio — very simple rigs with low parts counts. Roger G3XBM has a very nice re-make of the ET-1, first introduced by Glen Yingling W2UW in SPRAT 108. I remembered Glen’s article — I always wanted to try it. The ET-1 has just one active device: an MPF-102 FET. And it is a transceiver.
The schematic of the ET-1 appears above. I started building mine yesterday. Got the receiver done and — WOW! — heard some 80 meter signals this morning. More to follow…

The SolderSmoke Store: T-shirts, Caps, Mugs, Bumper Stickers, MORE!

A while back, a SolderSmoke listener suggested that we open up a T-shirt store. That was a good idea. Here it is! The SolderSmoke Store at CafePress. We design the items, CafePress does most of the work, and a portion of the revenue will help keep the podcast and blog going.

Right now we have T-shirts, sweatshirts, mugs, hats, and some bumper stickers.

We are open to suggestions: If there is something SolderSmoke or homebrew or QRP-related that you would like see on a T-shirt, coffee mug, hat, etc., drop me a line and we will see if we can fit it in with our fine line of Knack-wear!

Here is the link to the store:
http://www.cafepress.com/SolderSmoke

My Frequency Counter. FIXED!

I mentioned my broken frequency counter… Tony Fishpool, G4WIF, of G-QRP sent me a replacement CMOS chip. The counter is now counting beautifully. It was a real chore to get the bad chip off the double-sided board, then I doubled my work by putting Tony’s chip in upside down. It doesn’t work very well that way. I did another chip extraction. By this time I had all kinds of lifted pads, broken traces, pins on the verge of breaking. I felt sure that all the heating and de-soldering had destroyed the CMOS. But no! It lives!

This was a very satisfying troubleshoot and repair. I feel like Dr. House. The whole thing was made even nicer by the fact that the repair part came from the junkbox of a friend. Thanks Tony!

Looks like the old counter is still well-calibrated. It has my QRSS sig at 10140070. ON5EX’s grabber puts me at 10140050. So the counter is 20 Hz high. Not bad for flea market junk.

A. Frederick Collins – Radio Pioneer from my Hometown

I’ve been reading “Empire of the Air” by Tom Lewis, and I’ve been struck by how much radio history took place in the Hudson Valley. I have a special interest in this, because I grew up there. As I was reading about Lee de Forest (BOOO! HISS!) I started wondering if the lake near my parents’ house was named for him. I grew up near Lake de Forest. Surprisingly, Google and Wiki did not provide the answer (anybody know?), but in the course of my Googling, I discovered something that really surprised me: my little town was the summer home of radio pioneer Archie Frederick Collins (what a great name!). Collins was one of the pioneers of radio telephone, using arc transmitters to send his voice out over the airwaves. Some of the experiments took place right in dear old Congers, N.Y. Collins seems to have been a great guy — in addition to his pioneering work in radio, he was prolific author, writing for the Knack victims of the day.

Here’s a 1908 Scientific American article about his radio work:
http://earlyradiohistory.us/1908col.htm
Here’s a good Wiki article on him:
http://en.wikipedia.org/wiki/Archie_Frederick_Collins

One quote from the Wiki: He wrote scientific adventure series novels such as “Jack Heaton, Wireless Operator(1919)” which told of the training and adventures of a 15 year old wireless amateur. Many of his books, such as “The Boy Scientist,” (1925) had lots of illustrations and few equations, with an emphasis on “hands-on” experimentation, at a level intended for high school students. After discussing the “Einstein Theory,” Collins tells his readers how to build a spectroscope, a radio, and a x-ray machine for home experimentation. Collins encouraged his readers to use their home-built x-ray machine to examine their own bone structure with a fluoroscope.

Degenerative Feedback and Distortion Reduction

Continuing on negative feedback, on SolderSmoke I recently asked for help in understanding why negative feedback is said to “reduce distortion.” Let me know if you think I’m on the right track. Thanks to all who sent e-mails.

Following Fourier’s advice, let’s think of distortion as an additional waveform riding along with our desired signal. In the diagram we have a 5X voltage amplifier with 20 mV at the input, let’s say that it produces a complex distorted waveform that consists of our desired 100 mV sine wave, along with an ugly 10 mV distortion signal.

The feedback network takes 10 percent of both signals and feeds them back to the input (with a 180 phase shift). At the input, for the desired signal, the 10 mV of feedback meets up with 30 mV of input signal (as in TM 11-455, I’ll keep outputs the same, but increase inputs); we end up with 20mV at the input to the amplifier device. This then goes through the 5X amp and we get our 100 mV output.

But look what happens to the ugly distortion signal: It arises IN the device. When the feedback portion of this distortion gets to the input, it does NOT meet up with an input signal. It just goes back through the amp. So the feedback network takes 10% of the 10 mV distortion, introduces a 180 phase shift and sends this 1 mV waveform through the 5X amp. At the output of the amp we can think of the original 10 mV of distortion combining with what is now a 5mV out of phase signal. In this case, half of the distortion signal is canceled. We can say that compared with the no-feedback amplifier, distortion has been reduced from 10% to 5%. We can say that this circuit discriminates against distortion signals that arise inside the device. The desired signal meets up with the input signal, cancels a portion of it, but then the remaining signal goes through the amp producing the desired amplified signal. But the distortion signal has nothing to meet at the input. It just goes through the amp and then cancels a portion of distortion signal at the output. More desired signal, less distortion.

Busted… By the FCC

When I was a kid, I lived in fear that one day men in black suits from the Federal Government would appear on the front steps of our house in Congers, NY. I worried that they would discover some harmonic from my Heath HW-32A doing something awful to air traffic control comms…. or perhaps they would want to check my log book (that would have definitely resulted in jail time).

George, K8VU, sent along this link to an article about a kid who DID get a visit from the FCC:
http://www.rwonline.com/article/72138

The Radio World site seems to have a very nice collection of articles. Thanks George.

The Power of QRPp with QRSS (very low power, very low speed)

Here is a screen-shot taken in New Zealand back in 2006 (ah, the good old days, back when we still had a few sunspots). Colin, G6AVK, describes what you are seeing:

Hi Knights,
Whilst looking through some 30m captures this evening I thought it good to
share this with you, the Capture was from Mike ZL4OL back in early 2006.

Stations in this Capture listed from Top to bottom:
(675) G6AVK JO01HO sawtooth, 10mW into the Longwire.
(660) I0SKK JN61GV 25-30 mW max. Vertical R7 30 m high (on the top of the
roof)
(635) G0UPL 360mW. Antenna: full size half-wave dipole (14.2m) in the Attic.
(620) IW0HK JN61FV, 20mW’s, Antenna used was a “Fishing Rod” vertical, 7.5
meter high.
I am looking forward to when Condx will be like this again.
73 Colin
G6AVK – JO01ho

Beta Independence (an explanation from 1941)

We’ve been talking about why negative feedback renders irrelevant even large variations in the gain characteristics of individual tubes and transistors. As is often the case, I had to go through several technical tomes before I found a book that really answered my “how does it really work” kind of questions. Enlightenment on negative feedback came to me from the days before Pearl Harbor, from War Department Technical Manual TM-11-455 “Radio Fundamentals,” published on July 17, 1941.

Figure 1 shows an amplifier that increases the input voltage by a factor of 100. In Figure 2, 10 percent of the output voltage is fed back – out of phase – to the input. Now, when trying to understand feedback amps, you can find yourself trying to figure out how changes to the input produce changes to the output, which in turn produce changes at the input, etc. Like the amplifier you are trying to understand, you become like a dog chasing his tail! TM 11-455 elegantly breaks this cycle. It has us think this way: Assuming we maintain 100 mV at the output, with 10% fed back, how much of an input signal will we need? Well, the amplifier itself still amplifies voltage by 100. So we still need a net voltage of 1 mV at the input. So now we need a signal voltage of 11 mV to produce the 100 mV output (Figure 2). The feedback cancels 10 mV, putting 1 mV on the input. Negative feedback reduces gain.

How does negative feedback reduce the impact of variations in the gain characteristics of the individual devices? Without feedback, if we substituted our 100X amplifier for a device with a gain of only 50, our 1 mV input would produce only 50 mV out, possibly playing havoc with our overall design. We’d need an input of 2 mV — a doubling of the input voltage — to make up for the variation, to get our desired 100 mV output. But look at the situation with feedback (Figure 3). We still assume 100 mV at the output, and 10 percent negative feedback. But now, even though device gain has dropped from 100 to 50, we only need an increase in signal input from 11 mV to 12mV. With this feedback arrangement, if we kept the input signal level at 11mV, and then used a transistor that happened to have only HALF the voltage gain of the original device, the output voltage would drop only to around 92 mV, a drop of about 9% — not the 50% drop we saw in the circuit without feedback. Negative feedback reduces the impact of gain variations from device to device. It makes our amplifier stages more “beta independent.” Negative feedback reduces the impact of gain variations from device to device. It makes our amplifier stages more “beta independent.” Our thanks to the War Department!

SolderSmoke 99

SolderSmoke99.mp3

January 18, 2009
Epiphany in Rome — La Befana brings two Gerbils (Dot and Dash)
Ice skating near (but not on!)the Tiber
QRSS: Eldon’s beacon spotted. 723 miles with 15 millwatts
QRSS Calibration Problem: My proposed solution
A Tale of Two BENELUX Grabbers: ON5EX and PA1SDB
Watching VK2ZAY cross Tasman Sea. Watching G6AVK reach VK6DI
Inspiration from old SPRATs: From PA3BHK and W7ZOI
Book Review: “Empire of the Air” (Good bios, but author Knack-less)
AA1TJ’s CFL revolution reaches Cuba. Now a CFL receiver.
AA1TJ’s “Reggie” converts all sigs to QRP!
Several new videos on the Blog (from WA7MLH, N0TU, KD1JV)
MAILBAG: Ragav VU3VWR has Knack since 9th grade. Wants to QRSS in VU
Nick M0NJP likes show, getting used to the voice, Amazon UK instructions
Bryan VK3HXR has eeePC running Ubuntu
Paolo IK1ZYW has external keypad chips for FT-817 (available at cost)
Jim AL7RV’s wife thought SolderSmoke gave him a fit. Agrees on 1)design 2)build
Wes W7ZOI on feedback circuits
Joe Rocci has an LtSpice model for the NE602
Gerri EI8DRB asks if he should buy a Drake 2-B (Uh… YES!)
Steve “Snort Rosin” Smith : SMT paste lacks bouquet of 60/40 multi-core
Chris KC2LFI prescribes 3500 Hz notch for sibilant SS problem (advice followed)

International Year of Astronomy — 2009


Hey, the signals are electromagnetic. They are very QRP. And the receivers (well, at least the “amplifiers”) are often homebrew. It’s 400 years since Galileo spotted Jupiter’s moons. To commemorate this, we have IYA2009. The organizers are developing a program to allow people to build their own simple telescopes, and are encouraging those who already have ‘scopes to get out and let their neighbors take a look at the wonders of the universe. We did a bit of this “sidewalk astronomy” in London. We’ll do our part for IYA2009 by taking our 6 inch Dobsonian out into the piazza here in Trastevere. Check out the project web site:
http://www.astronomy2009.org/globalprojects/cornerstones/galileoscope/

Eldon’s Beacon: GRABBED!

Last week we put out an all points bulletin for the new QRSS beacon of OM Eldon (scroll down a bit). Yesterday the signal was captured by Stu. Distance covered: 723 miles. Eldon’s power out: 15 milliwatts. That’s correct: fifteen milliwatts (Eldon had earlier calculated 150 milliwatts, but this turned out to be incorrect). Above is Stu’s screen shot — you can see Eldon’s FSK signal: WAOUWH (read along the top of the square wave) at around 10140050 Hz.

Here is their e-mail exchange:

Re: Is this your QRSS beacon?
Tuesday, January 13, 2009 6:17 PM
From:
“Eldon”
To:
“Stu”
Thanks Stu, and thanks to Bill Meara and SolderSmoke.com
This is my my FIRST confirmed QRSS report from my first QRP rig, it is about 150mw into a North South 6 foot Loop about 6 feet AGL.
You represent it on about the freq that I think it is – without too much calibration on my part.
See: http://qth.map.googlepages.com/?qth=CN97BV43TU&from=CM87vk
Is your Grabber online?
Thanks for the report.
Regards, Eldon Brown – WA0UWH
Don’t let the Zero land call fool you, I got it many year ago while in the Navy stationed at Denver, now located in Seven land near Seattle.
eldonb@ebcon.com

On Tue, Jan 13, 2009 at 12:39 PM, Stu wrote:
Eldon,
Copied the following screen shot on 30m today a few minutes ago – I think the FSK is your callsign – WA0UWH?
Copied with Spectrum Lab in CM87vk – TS-B2000 with 160m inverted L plus antenna tuner to load up on 30m
73’s
Stu

KD1JV’s Surface Mount Video

OK SolderSmoke fans, here’s a video for YOU! Steve “Melt Solder” Weber has put out his first video. It is about surface mount soldering. It is all very interesting, and some actual solder smoke is released, but I was a bit disturbed when Steve put the PC board on an electric stove and then started using this purple thing that looked and sounded like a hair dryer. Made me yearn for my Weller soldering gun. Great video Steve, thanks!

The QRSS Calibration Problem: A Proposal

Eldon’s effort to be seen by the 30 meter online grabbers (see below) reminded me of the big problem I faced when I first built my QRSS beacon: getting my signal into the very narrow (100 Hz wide) QRSS frequency band. If you think crystal control will solve this problem, think again: Almost all of us are using crystal-controlled transmitters, but circuit and component variations can easily put your signal far outside the freq range that the grabbers are watching.

I was able to get into the band because I was able to find a conventional CW beacon fairly close in frequency to the QRSS band. I used IK3NWX on 10.141800 MHz. Knowing the frequency of this beacon (it was avalable on the web), I used the ARGO and Spectran soundcard programs to put my sigs where I wanted them to be. IK3NWX was useful because it was so close (within 2 Khz) to the QRSS band — I was able to put both the NWX signal, and my target freq on the screen. Later, I built my “DaVinci Code” reference oscillator — it serves as a freq reference that I can use (again, with Spectran) to get back in the band after working on my transmitter (for those times in which I can’t hear IK3NWX).

It seems like a lot of guys in the US and Canada are now getting into QRSS. Many may face the same frequency calibration problem. Are the frequency readouts of the ubiquitous Kenwood/Icom/Yaesu rigs accurate enough to help? Do they go down to the tens of hertz range? I suspect they do not.

What new QRSS ops in the U.S. and Canada might need is the North American equivalent of IK3NWX’s beacon. It should probably be fairly high powered (but 5 watts would probably do the trick). Conventional CW would be better than QRSS (it needs to be heard). The frequency should be outside but within 1-2 kHz of the upper or lower QRSS band edge. A station out in the Great Plains would probably be able to serve the large ham populations of both coasts. Perhaps we could arrange for the calibration beacon to be on at certain times (daytime on the weekends?). Of course, the key would be to employ a station with very accurate frequency measurement ability (down to 1 Hz) and a highly stable signal.

What do you guys think?

Eldon’s QRSS Rig

Eldon, WA0UWH, says the podcast inspired him to build some QRSS transmitters for 30 meters. His first effort was atop a 9 volt battery. The latest version has a more traditional enclosure. Eldon hopes to be seen on some of the grabbers — please help him out if you can. In my case the hard part was getting the transmitter into the frequency band for QRSS (only 100 Hz wide!).

N0TU’s Straight Key Night Video – 5 STARS!

Steve, N0TU, has put out a really great video on his Straight Key Night operation. It is really well-done. I was delighted to see both a Drake 2-B and a Heath VF-1 in use in Steve’s shack. The video also has clips and photos from the stations Steve contacted during the event. Wow, a homebrew Spider! I remember that one from a 1993 issue of 73 magazine. You guys will love this video. Check it out: http://www.youtube.com/watch?v=aAk7gRdwpGs

VE7BPO’s Digital Logic Page

I mentioned in SolderSmoke 98 that Todd, VE7BPO, has also developed an interest in digital logic circuits. In addition to putting together a really great web page on his projects, Todd went the extra mile by homebrewing his own numerical displays. No store-bought seven segment displays for him! Check out his site: http://www.qrp.pops.net/cmos1.asp