
Yesterday morning the lower portion of the 30 meter QRSS band was dominated by three Italian stations: Near the bottom of ON5EX’s grabber screen was the very clear and FB CW of Fabio, IK0IXI. Fabio runs about 50 milliwatts to a Windom and operates from Civitavecchia, a beautiful coastal town about 20 miles from Rome. Here you can take a look at his rig, and his schematic: http://www.geocities.com/ik0ixib/bcn.html A bit further up were the droopy dashes of yours truly, 200 mw (QRO!) to my all-purpose end-fed wire. And a bit further up from me was the very interesting signal of Paolo, IZ1KXQ. Paolo runs 5 milliwatts from a super-simple solar powered rig (see above) that resides on the roof of his house. It puts out a distinctive square wave sig.
IKoIXI’s crystal is in an oven and is temperature stabilized. He stays on the same freq all day. We’ve found that my signal seems to drift down in freq during the course of the day, as Rome heats up. It moves about 15 hz down from early morning to afternoon. IZ1KXQ’s rig is more exposed to the heat, and seems to move quite a bit more, and his sig moves UP in freq. I think this drifting adds to the QRSS fun.
FB Paolo! FB Fabio!
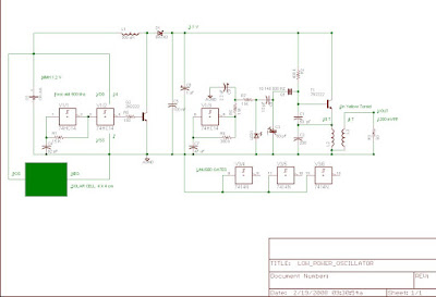
Here is IZ1KXQ’s schematic:







